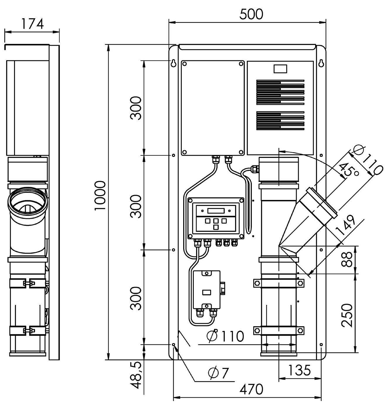
Ventilationsluftrenare

UV-filter för rening av ventilationsluft

  • Med UV-lampa
  • Inklusive kontrollpanel
  • 1 fas 230V
  • 1st UV-rör
  • Reducerar lukt, virus och bakterier i luften
  • Används till luftare för bland annat fettavskiljare och pumpstationer
Visa alla mått +
Artikelnummer RSK Vikt (kg)Filer
KE-915603 12
Datablad

Instruktioner

Tillbehör

Konsol Jirva

Utan vinkelsträva FZV

Konsol Jirva

Utan vinkelsträva FZV

Konsol Jirva

Med vinkelsträva A4

Takjärn U3

FFZV 3mm

Konsol Jirva

Utan vinkelsträva A4

Takjärn U3

3mm FZV

Optimal FZB M8/M10

FZB 13-168 mm

Konsol Jirva

Med vinkelsträva FZV

EKONOMI FZB QUICK M8/M10

Rörklammer ekonomi quick