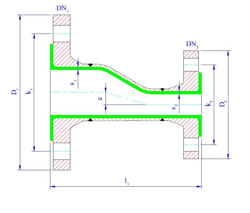
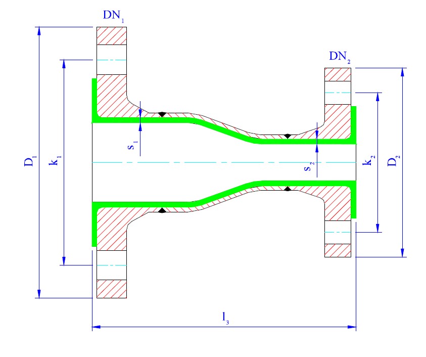
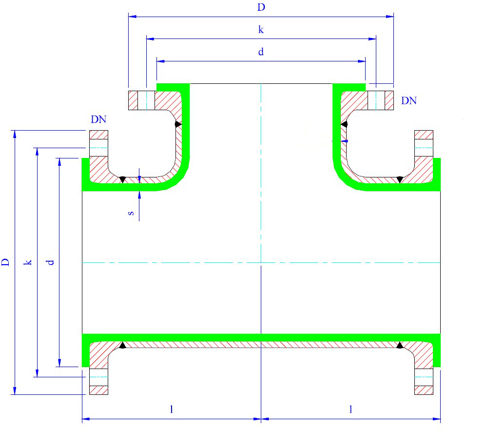
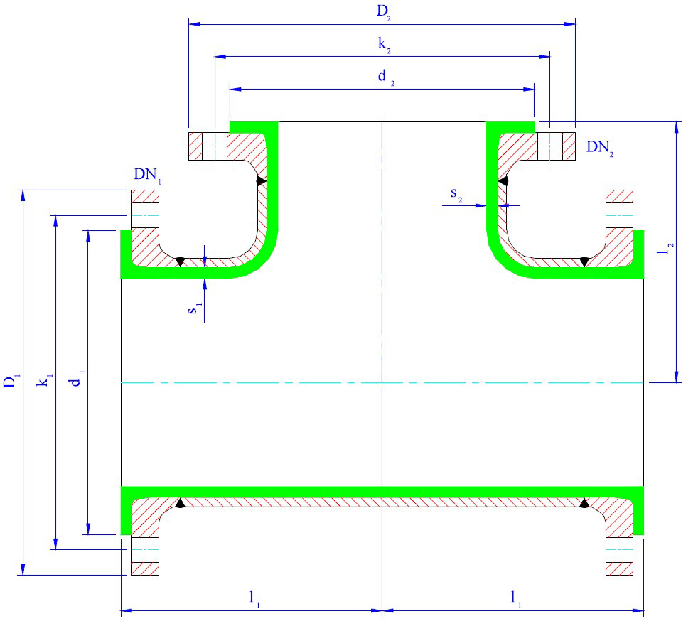
Linade rör och rördelar

Vi tillhandahåller rör och rördelar i rostfritt stål eller gjutjärn som invändigt är korrosionsskyddade med olika fluorplaster.  Fluorplasterna PTFE, FEP och PFA har en mycket hög kemisk resistens kombinerat med ett stort temperaturområde. Materialet klarar höga temperaturer i kombination med höga tryck i aggressiva miljöer. Stål- eller gjutjärnshöljet ger systemet goda mekaniska egenskaper. Typiska användningsområden är kemikalieapplikationer, pappersbruk, vattenbehandling, processindustrin och läkemedelsindustrin. Storlekar, längder och olika skyddsmålningar kan specialbeställas.

Liningen kan man få i PTFE, PFA eller FEP och i antistatiska utföranden.

Hög kemisk resistens kombinerat med ett stort temperaturområde.
Typiska användningsområden är kemikalieapplikationer, pappersbruk, vattenbehandling, processindustrin och läkemedelsindustrin.

Det normala är att man sammanfogar det via flänsning.

Man bestämmer själv vilken längd man vill ha på sina rör. Möjligt från 300mm – 6000mm.

Rör och rördelar i rostfritt stål eller gjutjärn som invändigt är korrosionsskyddade med någon typ av fluorplast.