K4OU/RM-V

PVC-U Vridspjäll Manuell Snäckväxel FPM

  • PVC-U Vridspjäll med manuell snäckväxel
  • Hus i UV-beständig PP med spjällblad i PVC-U
  • Vatten PN10 vid +20 °C
  • Se teknisk information för tillåtna tryck vid högre temperaturer
  • Tätning i FPM
  • Montage av manöverdon enligt ISO 5211
  • Kontrollera frigång av spjällblad i kraghylsa före montage
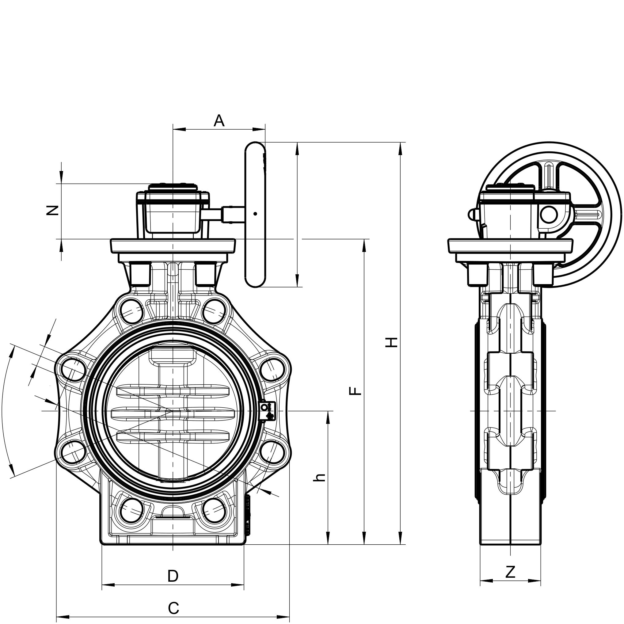
Visa alla mått +
Artikelnummer RSK DNdDCZhFNHAFiler
K4OU/RM-V-075 4564876 6575651334610023252308120 CAD/Step
K4OU/RM-V-090 4564877 8090801764910023952315120 CAD/Step
K4OU/RM-V-110 4564878 1001101002065611526952357.5121 CAD/Step
K4OU/RM-V-140 4564879 125140125234.564130303.552392121 CAD/Step
K4OU/RM-V-160 4564880 15016015026170147.5337.560447.5122 CAD/Step
K4OU/RM-V-225 4564881 20022520031471175399.560509.5122 CAD/Step

Tillbehör

H/K4-LS

Handtag Vridspjäll K4 med Limit switch

GEAR/K4

Snäckväxel Vridspjäll K4

H/K4

Handtag Vridspjäll K4