| Artikelnummer | RSK |
|---|---|
| K4OSM/RM-V-280 |
K4OSM/RM-V
PP Vridspjäll Manuell Snäckväxel FPM
- PP Vridspjäll med manuell snäckväxel
- Syrafast 316L spindel
- Hus i UV-beständig PP med spjällblad i PP
- Vatten PN10 vid +20 °C
- Se teknisk information för tillåtna tryck vid högre temperaturer
- Tätning i FPM
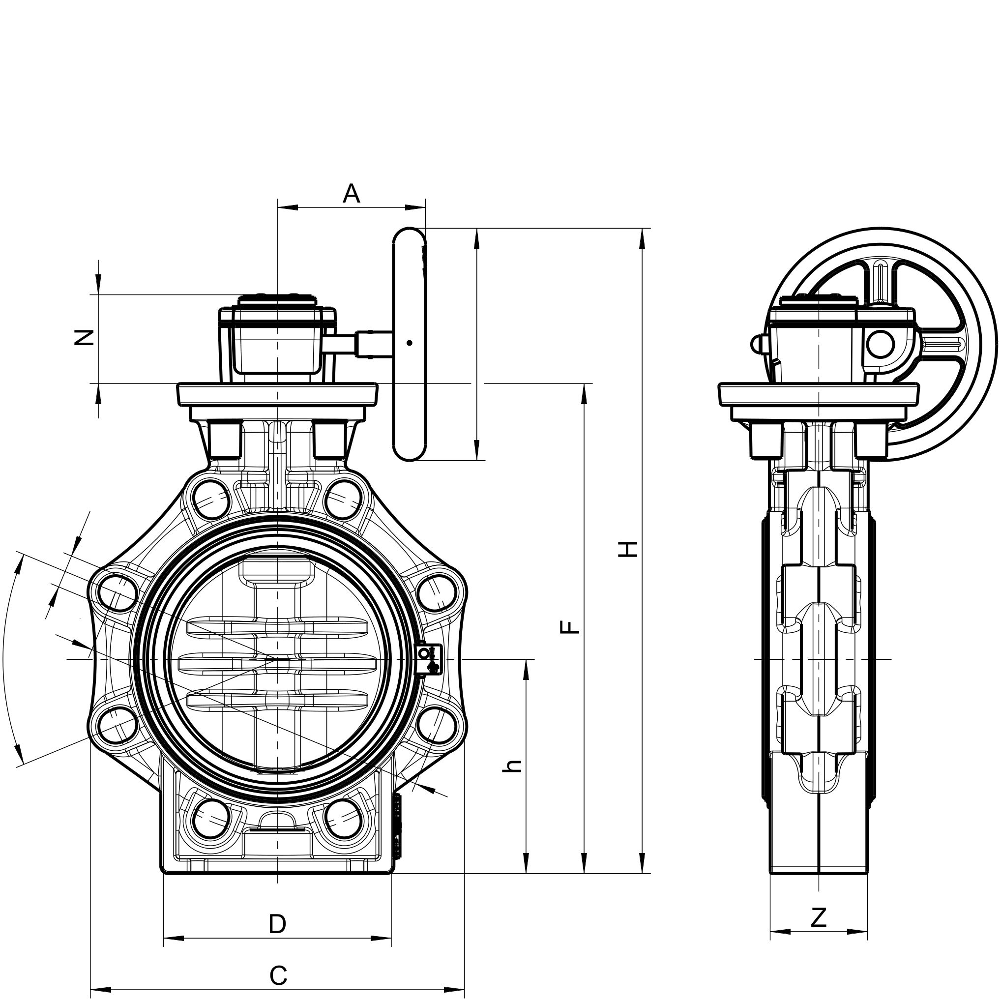
- Montage av manöverdon enligt ISO 5211
- Kontrollera frigång av spjällblad i kraghylsa före montage
Modeller
Produktbeskrivning
Robust vridspjäll för industriell användning. Används för gas och vätskor som avstängningsventil. Hus med anpassningsbar hålbild för inspänning mellan flänsar i både plast och metallrörsystem. Ventilhus i glasförstärkt PP som är resistent mot UV-strålning. Liner i EPDM eller Viton beroende på applikation. Finns i dimensionerna d50-400.
• Låsbar - Enkelt att låsa ventilen i önskat läge. Handtaget kan positioneras i tio fasta lägen • Fixera bultarna - Går att fixera bultarna direkt i ventilen • Trycktålig - Tål tryck från båda riktningarna. Möjligt att montera en luggad K4 som stoppventil • Integrerade gänginsatser - Luggad K4 tillverkas med integrerade gänginsatser i PP. • UV-resistent hus - Huset är utformat för att förhindra överspänning av flänstätning. Finns med utbytbart spjällblad och liner. Byggmått enligt DIN 2501.
Installation av K4-vridspjäll Före åtdragning av bultar, positionera vridspjället med spjällbladet i öppet läge. Kontrollera frigång av ventilklaffen i rör eller flänsar. Bultarna åtdrages i ett stjärnmönster. Överskrid inte angivet åtdragningsmoment. Vid montering är det lämpligt att smörja linern. Använd inte mineralolja till EPDM.
Don typer Det finns olika typer av don avsedda att uppfylla systemens behov för att ge ett bra och funktionellt flöde.
- NC: Normalt stängd med fjäder, öppnas med luft och stänger vid luft bortfall.
- NO: Normalt öppen med fjäder, stänger med luft och öppnas vid luft bortfall.
- DA: Dubbelverkande don öppnas och stängs med luft.
- CE: Elektriskt don kan monteras efter kundens behov med 12-24v eller 100-240v. Finns även som Failsafe med batteribackup och med Positioner 4-20mA /0-10v.
- LU: Integrerade gänginsatser i syrafast stål.
- RM: Ventil med påmonterad snäckväxel som regleras förhand.



