K4OM/RM-LU-E

PP Vridspjäll Manuell Snäckväxel Luggat EPDM

  • PP vridspjällsventil med manuell snäckväxel i luggat utförande
  • Hus i UV-beständig PP med spjällblad i PP
  • Vatten PN10 vid +20 °C
  • Se teknisk information för tillåtna tryck vid högre temperaturer
  • Tätning i EPDM
  • Montage av manöverdon enligt ISO 5211
  • Kontrollera frigång av spjällblad i kraghylsa före montage
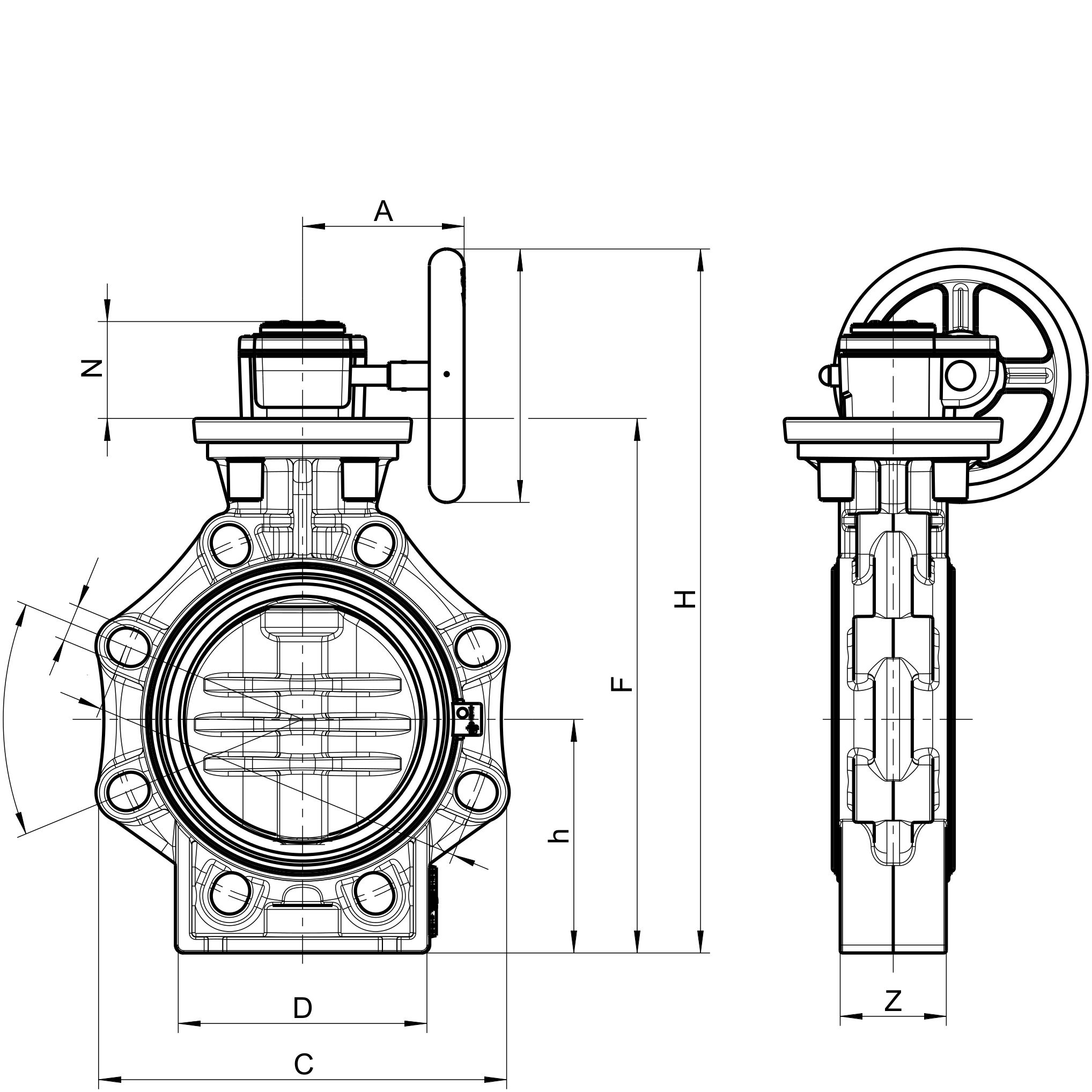
Visa alla mått +
Artikelnummer RSK DNdDCZhFNHAFiler
K4OM/RM-LU-E-075 4564551 6575651334610023252308120
K4OM/RM-LU-E-090 4564552 8090801764910023952315120
K4OM/RM-LU-E-110 4564553 1001101002065611526952357.5121
K4OM/RM-LU-E-140 4564554 125140125234.564130303.552392121
K4OM/RM-LU-E-160 4564555 15016015026170147.5337.560447.5122
K4OM/RM-LU-E-225 4564556 20022520031471175399.560509.5122
Datablad

Utökat produktblad

Materialegenskaper

Tillbehör

H/K4-LS

Handtag Vridspjäll K4 med Limit switch

GEAR/K4

Snäckväxel Vridspjäll K4

H/K4

Handtag Vridspjäll K4