K4OF/NC

PVDF Vridspjäll Pneumatiskt (NC) FPM

  • PVDF Vridspjäll pneumatiskt styrd (NC)
  • Hus i UV-beständig PP med spjällblad i PVDF
  • Vatten PN10 vid +20 °C
  • Se teknisk information för tillåtna tryck vid högre temperaturer
  • Tätning i FPM
  • Pneumatiskt manöverdon normalt stängd (NC)
  • Anslutning styrtryck: 1/4" Namur
  • Styrtryck max 8 Bar
  • Kontrollera frigång av spjällblad i kraghylsa före montage
  • Luggad version med ingjutna insatsgängor i bulthål mot förfrågan
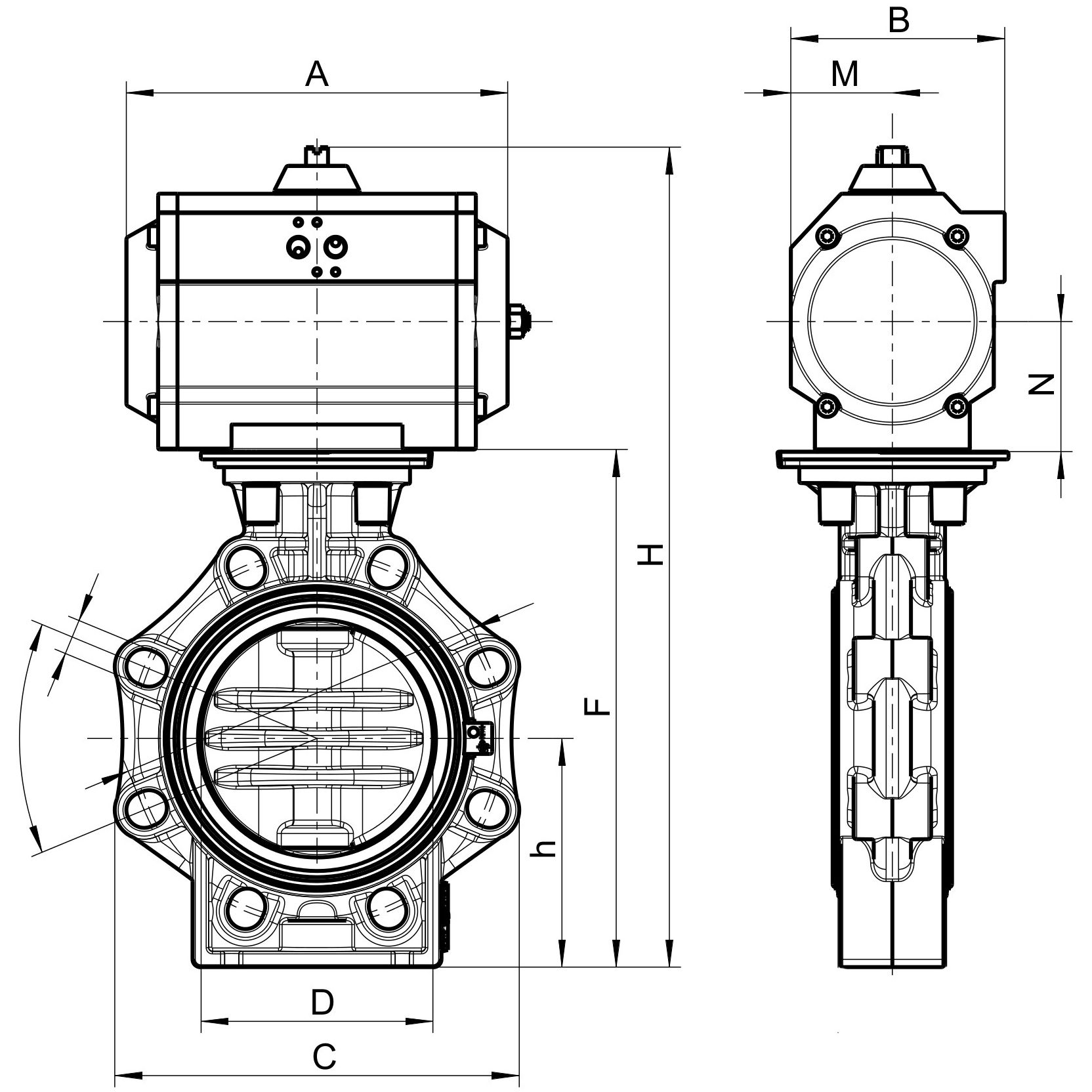
Visa alla mått +
Artikelnummer RSK DNDChFHAMBNDonFiler
K4OF/NC-V-075 4564654 6575651002323793136812264PP20S
K4OF/NC-V-090 4564655 8090801002393863136812264PP20S
K4OF/NC-V-110 4564656 1001101001152694163136812264PP20S
K4OF/NC-V-140 4564657 125140125130303.5478.53588915377PA25S
K4OF/NC-V-160 4564658 150160150147.53335244299716986PA30S
K4OF/NC-V-225 4564659 200225200175395667598120226116PA40S

Tillbehör

H/K4-LS

Handtag Vridspjäll K4 med Limit switch

GEAR/K4

Snäckväxel Vridspjäll K4

H/K4

Handtag Vridspjäll K4