K4OC/RM-V

PVC-C Vridspjäll Manuell Snäckväxel FPM

  • CPVC Vridspjäll med manuell snäckväxel
  • Hus i UV-beständig PP med spjällblad i CPVC
  • Vatten PN10 vid +20 °C
  • Se teknisk information för tillåtna tryck vid högre temperaturer
  • Tätning i FPM
  • Montage av manöverdon enligt ISO 5211
  • Kontrollera frigång av spjällblad i kraghylsa före montage
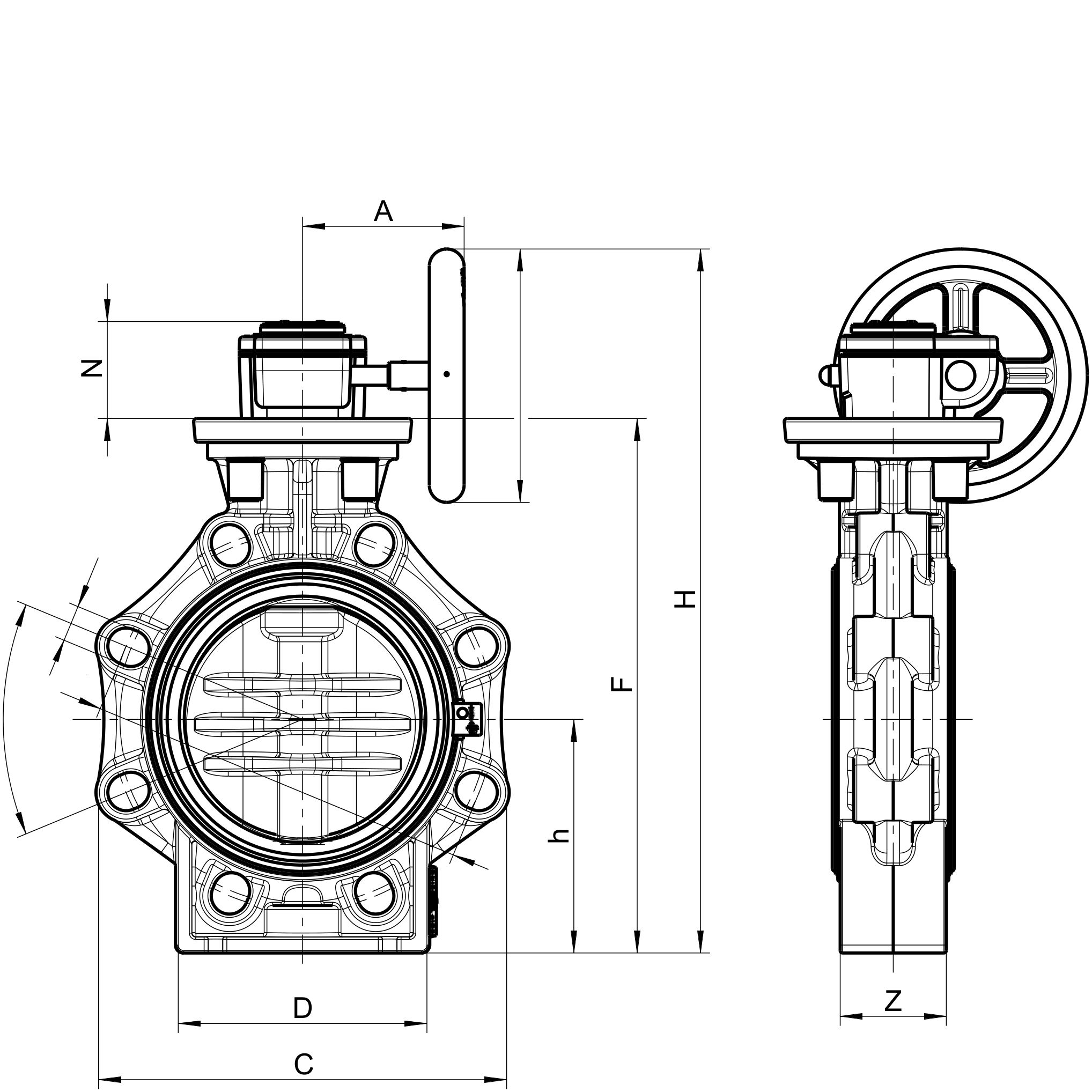
Visa alla mått +
Artikelnummer RSK DNdDCZhFNHAFiler
K4OC/RM-V-075 6575651334610023252308120 CAD/Step
K4OC/RM-V-090 8090801764910023952315120 CAD/Step
K4OC/RM-V-110 1001101002065611526952357.5121 CAD/Step

Tillbehör

H/K4-LS

Handtag Vridspjäll K4 med Limit switch

GEAR/K4

Snäckväxel Vridspjäll K4

H/K4

Handtag Vridspjäll K4