K4OC/DA-E

PVC-C Vridspjäll Pneumatiskt (DA) EPDM

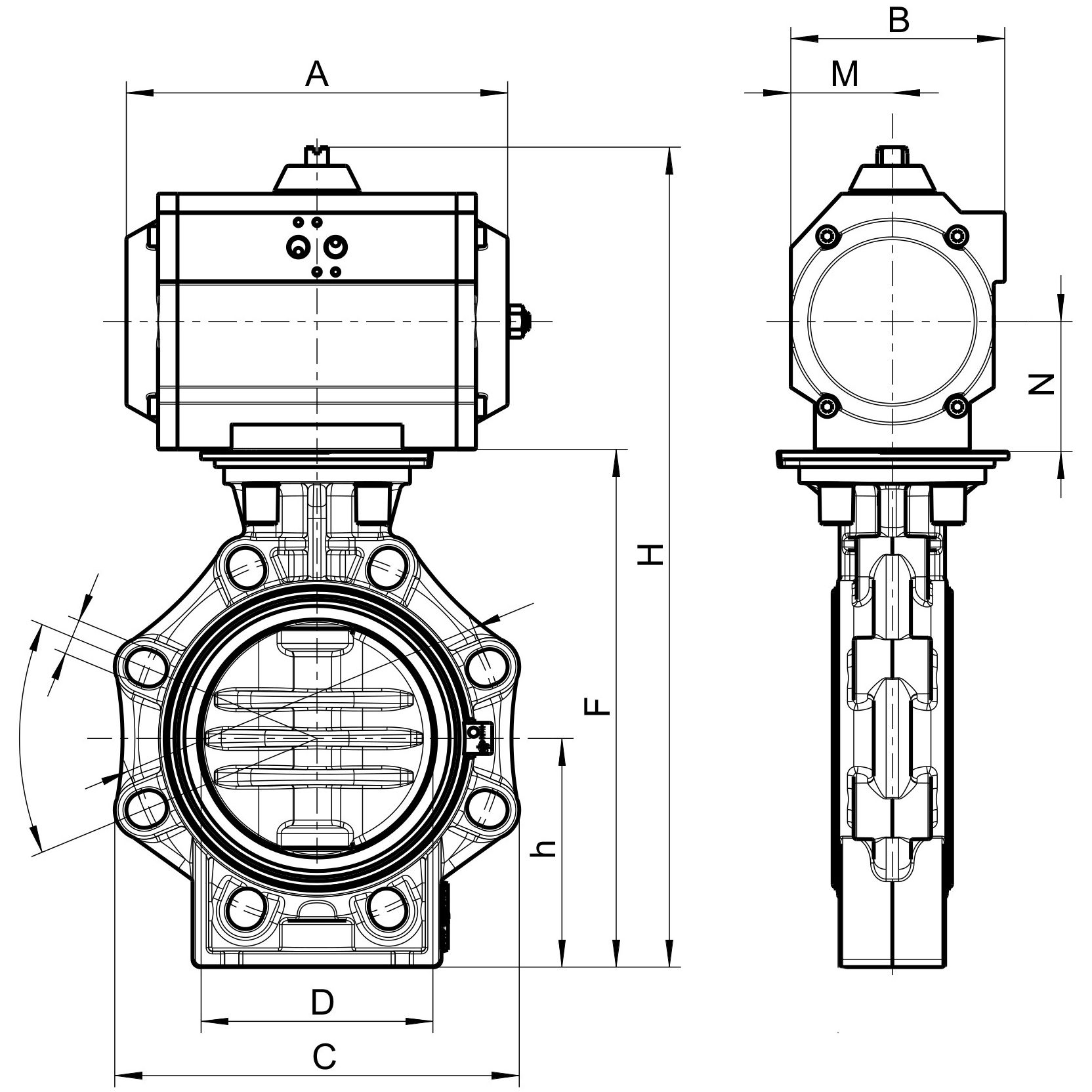
  • CPVC Vridspjäll pneumatiskt styrd (DA)
  • Hus i UV-beständig PP med spjällblad i CPVC
  • Vatten PN10 vid +20 °C
  • Se teknisk information för tillåtna tryck vid högre temperaturer
  • För inspänning mellan fläns
  • Tätning i EPDM
  • Pneumatiskt manöverdon dubbelverkande (DA)
  • Anslutning styrtryck: 1/4" Namur
  • Styrtryck max 8 Bar
  • Kontrollera frigång av spjällblad i kraghylsa före montage
  • Luggad version med ingjutna insatsgängor i bulthål mot förfrågan
Visa alla mått +
Artikelnummer RSK DNDChFHAMBNDonFiler
K4OC/DA-E-075 657565100232355230569753PP10
K4OC/DA-E-090 809080100239362230569753PP10
K4OC/DA-E-110 100110100115269392230569753PP10

Tillbehör

H/K4-LS

Handtag Vridspjäll K4 med Limit switch

GEAR/K4

Snäckväxel Vridspjäll K4

H/K4

Handtag Vridspjäll K4