DMM755-E

PP Tryckreduceringsventil EPDM

  • PP Tryckreduceringsventil
  • Tryckområde: 1.0-9.0 bar
  • Vatten PN10 vid +20 °C
  • Tätning i EPDM
  • PTFE-membran
  • Unionkoppling invändig svets
  • Användningsområde: Tryckreduceringsventil typ 755 används för att reducera primärtrycket till önskat konstant arbetstryck på sekundärsidan
  • Ventilen kan mot förfrågan levereras med manometeruttag på sekundärsidan
Visa alla mått +
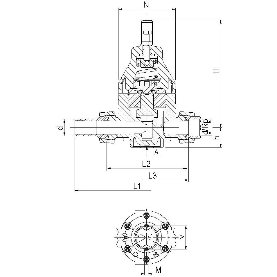
Artikelnummer RSK dDNNL2L3hHDFiler
DMM755-E-016 5401050 16108112012625174
DMM755-E-020 5401051 20158112012625174
DMM755-E-025 5401052 252010715015638202
DMM755-E-032 5401053 322510715015638202
DMM755-E-040 5401054 403214720521156262
DMM755-E-050 5401055 504014720521156262
DMM755-E-063 5401056 635014720521156262
Datablad

Materialegenskaper