DHM712-V

PP Tryckhållningsventil utv svets d75-110mm FPM

  • PP Tryckhållnings- och säkerhetsventil
  • Se tryckområde och inställningsområde under modeller
  • Tätning i FPM
  • PTFE-membran
  • Utvändig svets
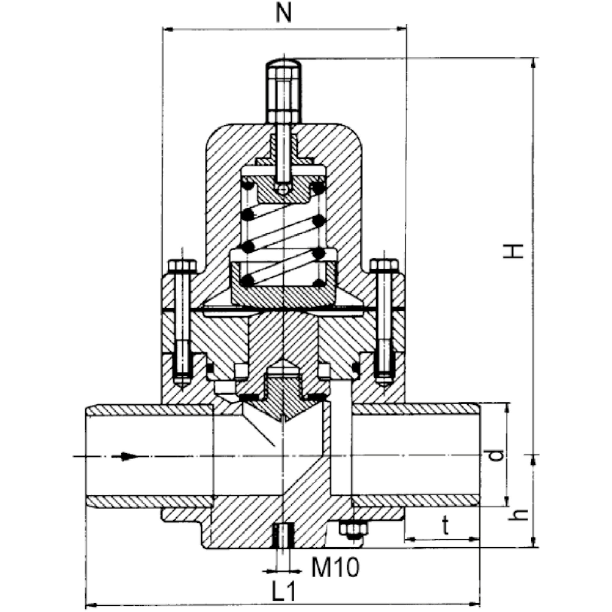
Visa alla mått +
Artikelnummer RSK dDNL1HhtNTryckområdeInställningsområdeFiler
DHM712-V-075 5401047 75652843066854.51750.3-10 Bar0.7-10 Bar CAD/Step
DHM712-V-090 5401048 908035832475801980.3-10 Bar0.7-10 Bar CAD/Step
DHM712-V-110 5401049 1101004203529386.52470.5-6 Bar0.5-6 Bar CAD/Step
Datablad

Materialegenskaper