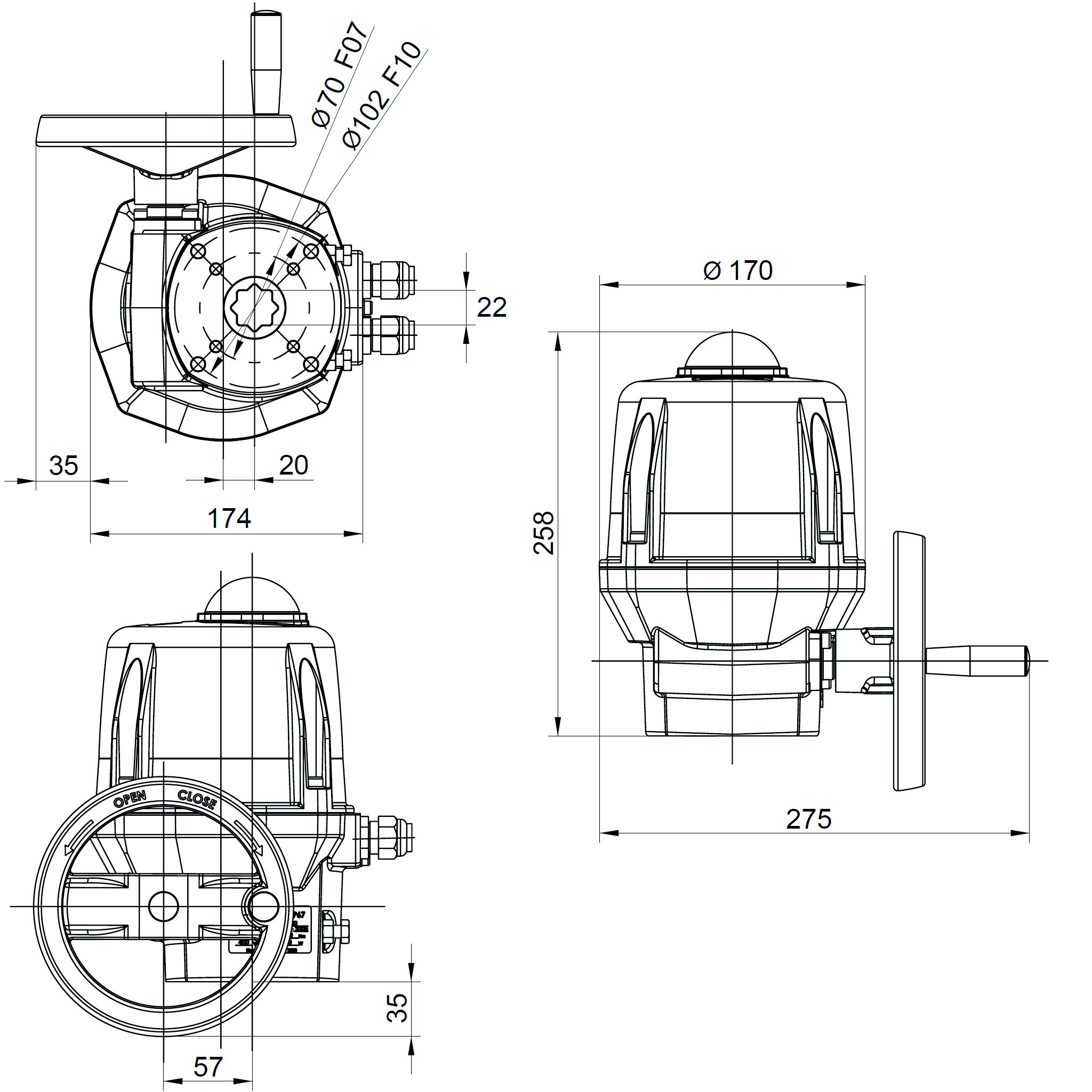
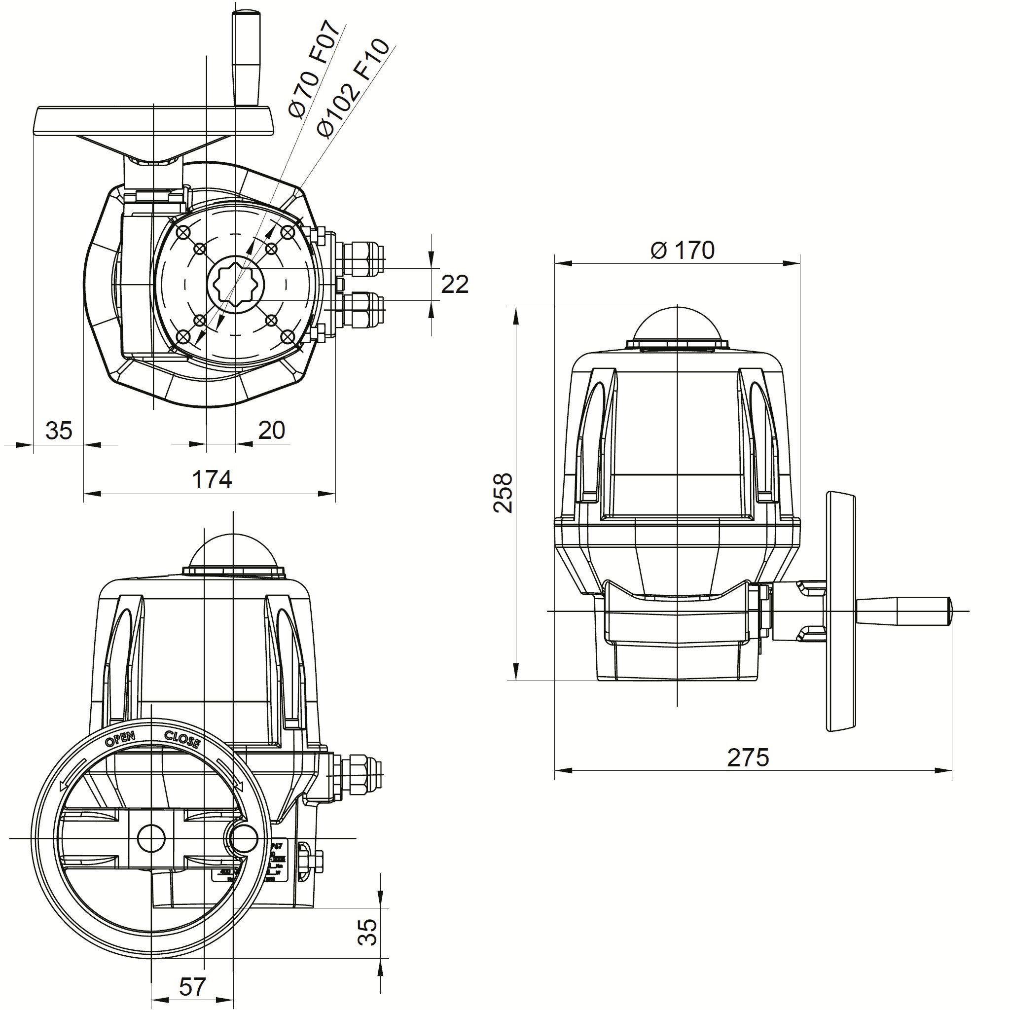
VS-FS

Elektrisk don med batteribackup

  • Elektriskt manöverdon
  • Funktion: 90, 180 eller 270 graders vridning
  • Spänning: 230 VAC, 24 VDC Effekt: 45 W
  • Vridmoment: 150-300 Nm
  • Kapsling: IP67
  • Elanslutning: Plint med PG-anslutning
  • Med nödfunktion som säkerställer återgång till ursprunglig position vid strömavbrott
  • Bluetooth-anslutning för enkel övervakning och styrning av aktuatorn via AXMART-gränssnittet
Visa alla mått +
Artikelnummer RSK ISONmSpänningWStälltid sekFiler
VS150-FS-24V F07/F10-22mm150Nm24vac/dc45W30
VS150-FS-230V F07/F10-22mm150Nm100-240vac45W30
VS300-FS-24V F07/F10-22mm300Nm24vac/dc45W60
VS300-FS-230V F07/F10-22mm300Nm100-240vac45W60
Datablad

Övrigt