ER FAIL

Elektriskt don batteri backup

  • Elektriskt manöverdon
  • Version med inbyggd batteribackup
  • Kan ställas NC eller NO
  • Alla komponenter i samma enhet
  • Kondensator för ER10/20
  • Batteri för ER35/60/100
  • Övriga uppgifter lika ER
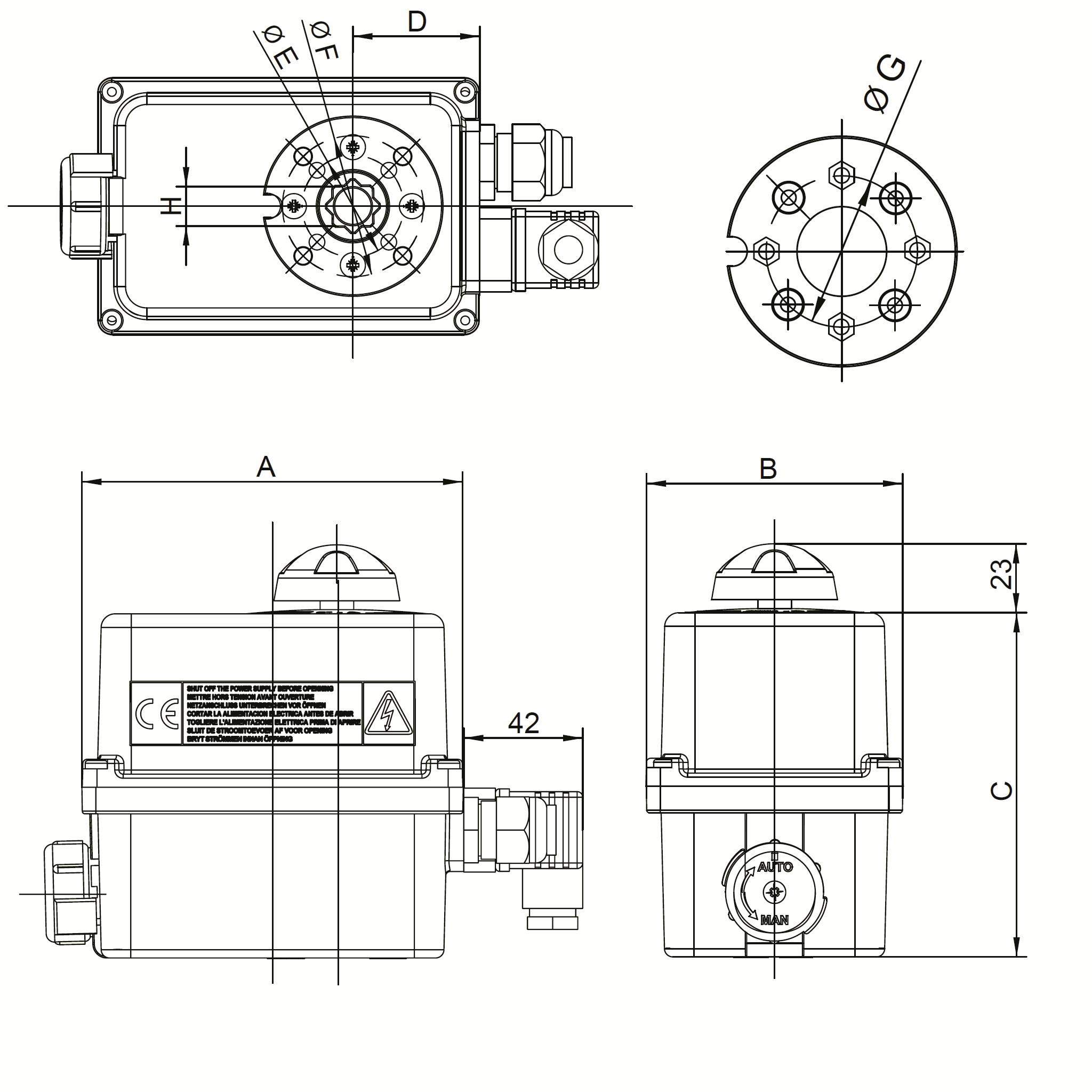
Visa alla mått +
Artikelnummer RSK FlänsNmSpänningEffektStälltid sekFiler
ER010P-FS-024 F03-F04-F05/14mm1012-24v ac/dc15 W11 CAD/Step
ER010P-FS-230 F03-F04-F05/14mm10100-240v ac15 W11 CAD/Step
ER020P-FS-024 F03-F04-F05/14mm2012-24v ac/dc15 W12 CAD/Step
ER020P-FS-230 F03-F04-F05/14mm20100-240v ac15 W12 CAD/Step
ER035P-FS-024 F05-F07/22mm3512-24v ac/dc45 W7 CAD/Step
ER035P-FS-230 F05-F07/22mm35100-240v ac45 W7 CAD/Step
ER060P-FS-024 F05-F07/22mm6012-24v ac/dc45 W12 CAD/Step
ER060P-FS-230 F05-F07/22mm60100-240v ac45 W12 CAD/Step
ER100P-FS-024 F05-F07/22mm10012-24v ac/dc45 W22 CAD/Step
ER100P-FS-230 F05-F07/22mm100100-240v ac45 W23 CAD/Step
Datablad

Instruktioner

Övrigt