M1IM/CE-V-12/24

PP Kulventil inv svets elektriskt don FPM

  • PP TvĂ„vĂ€gs kulventil elektriskt styrd
  • Vatten PN10 vid +20 °C
  • Se teknisk information för tillĂ„tna tryck vid högre temperaturer
  • Packningar i FPM
  • InvĂ€ndig svets
  • Elmotor typ ER 12/24 vac/dc
  • För industriellt bruk
  • Silikonfri
  • Fasta sĂ€ten
  • Batteribackup kan levereras som option
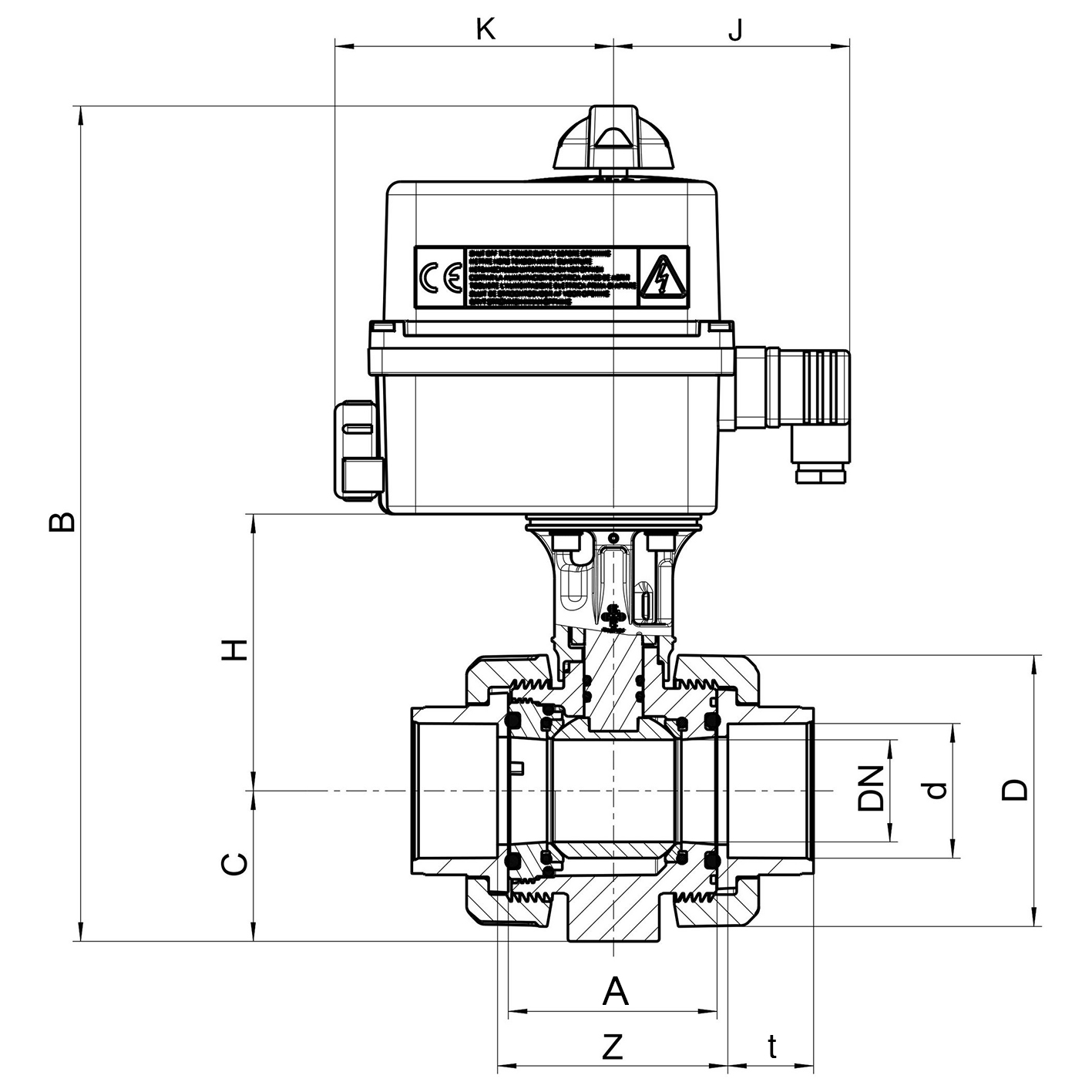
Visa alla mÄtt +
Artikelnummer RSK dDNDZAtCHBKJFiler
M1IM/CE-V-016-12/24 16105869.561.514.5338126610790
M1IM/CE-V-020-12/24 20155866.561.516338126610790
M1IM/CE-V-025-12/24 252068.5786917.54086.5278.510790
M1IM/CE-V-032-12/24 322575.5847319.543.589.528510790
M1IM/CE-V-040-12/24 403292978322519730010790
M1IM/CE-V-050-12/24 50401081149425.556.5104.531310790
M1IM/CE-V-063-12/24 6350127.5136.51092964.5111.532810790
M1IM/CE-V-075-12/24 7565160162131.534.585138.540010798
M1IM/CE-V-090-12/24 9080196.5206.5156.538.510016844510798
M1IM/CE-V-110-12/24 11080196.5207.5156.54210016844510798
Datablad

Utökat produktblad

Tillbehör

Q/M1IM

PP Krage inv svets M1/TBV

UNL/M1-MF

LÄsning mutter för M1

SE/M1

PVC-U SpindelförlÀngare M1

FB/M1

Elektriskt ÀndlÀge O/C för M1

DP/M1

Distansplatta M1

E/M1IM

PP Mutter för M1

SET/M1

Montage-set för M1

SET/M1IM-E

EPDM-oring set för M1 EPDM