M1DM/CE-V

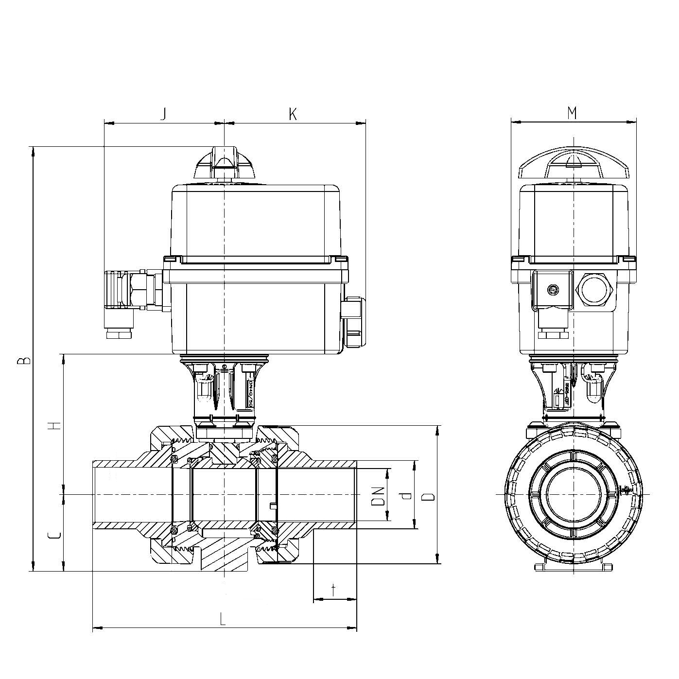
PP kulventil utv svets elektriskt don FPM

  • PP TvĂ„vĂ€gs kulventil elektriskt styrd
  • Vatten PN16 vid +20 °C
  • Se teknisk information för tillĂ„tna tryck vid högre temperaturer
  • Packningar i FPM
  • UtvĂ€ndig svets
  • Elmotor typ ER 230v/50Hz
  • För industriellt bruk
  • Silikonfri
  • Fasta sĂ€ten
  • Batteribackup kan levereras som option
Visa alla mÄtt +
Artikelnummer RSK dDNDLtCHBJKMFiler
M1DM/CE-V-020 201558124.513.533812669010792
M1DM/CE-V-025 252068.5145.515.54086.5278.59010792
M1DM/CE-V-032 322575.515618.543.589.52859010792
M1DM/CE-V-040 403292172.520.551973009010792
M1DM/CE-V-050 504010819323.556.5104.53139010792
M1DM/CE-V-063 6350127.522328.564.5111.53289010792
Datablad

Utökat produktblad