M1BM/CE-V

PP kulventil utv svets elektriskt don FPM

  • PP TvĂ„vĂ€gs kulventil elektriskt styrd
  • Vatten PN16 vid +20 °C
  • Se teknisk information för tillĂ„tna tryck vid högre temperaturer
  • Packningar i FPM
  • För industriellt bruk
  • UtvĂ€ndig svets i PP med lĂ„nga Ă€ndar
  • Elmotor typ ER 230v/50Hz
  • För industriellt bruk
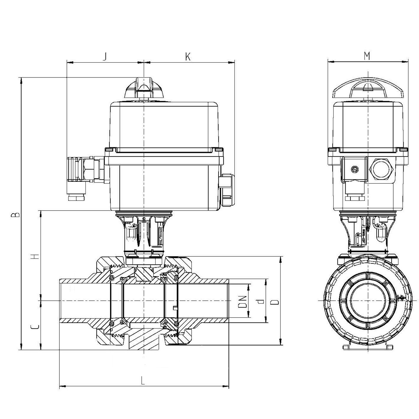
Visa alla mÄtt +
Artikelnummer RSK dDNDLHCBJKMFiler
M1BM/CE-V-020 20155819281332669010792
M1BM/CE-V-025 252068.521386.540278.59010792
M1BM/CE-V-032 322575.522389.543.52859010792
M1BM/CE-V-040 403292241.597513009010792
M1BM/CE-V-050 5040108262104.556.53139010792
M1BM/CE-V-063 6350127.5292111.564.53289010792
M1BM/CE-V-075 7565160373138.58540098107128
M1BM/CE-V-090 9080196.544116810044598107128
M1BM/CE-V-110 11080196.547416810044598107128
Datablad

Utökat produktblad