M1BEU/CE-E-12/24

PVC Kulventil långa PE-ändar elektriskt don EPDM

  • PVC-U Tvåvägs kulventil elektriskt styrd
  • Vatten PN16 vid +20 °C
  • Se teknisk information för tillåtna tryck vid högre temperaturer
  • Packningar i EPDM
  • Utvändig svets i PE med långa ändar
  • Elmotor typ ER 12/24 V AC/DC
  • För industriellt bruk
  • Silikonfri
  • Fasta säten
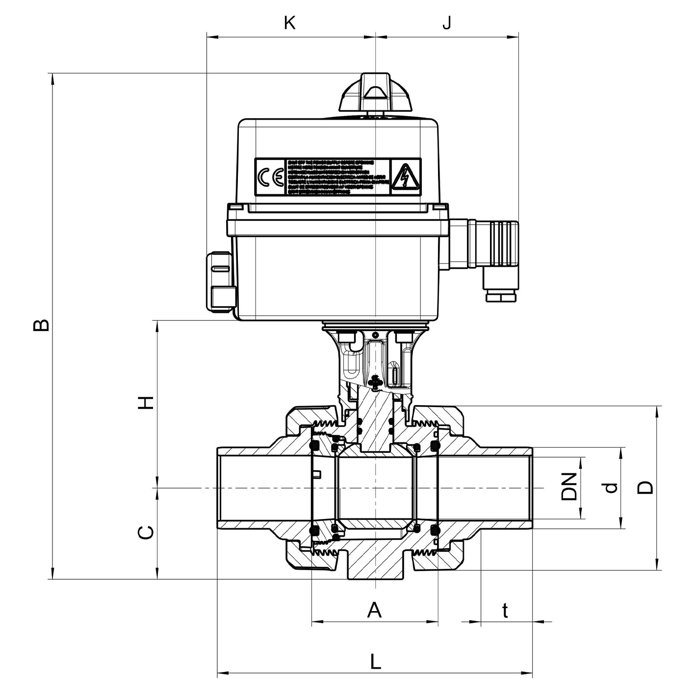
Visa alla mått +
Artikelnummer RSK dDNDLAtCHBKJFiler
M1BEU/CE-E-020-12/24 201555.51714545.5338026510790
M1BEU/CE-E-025-12/24 252062192.553.546.54085.5277.510790
M1BEU/CE-E-032-12/24 322570200.55450438828310790
M1BEU/CE-E-040-12/24 4032842216254.5519730010790
M1BEU/CE-E-050-12/24 504010124894585610331110790
M1BEU/CE-E-063-12/24 63501152731096364109.5325.510790
M1BEU/CE-E-075-12/24 7565149358.5131.58585138.540010798
M1BEU/CE-E-090-12/24 9080182414135.59910016844510798
M1BEU/CE-E-110-12/24 11080182405.5135.59510016844510798
Datablad

Utökat produktblad

Tillbehör

Q/M1BEU

PE Krage långa ändar till PVC-ventil M1/S4/S6

SE/M1

PVC-U Spindelförlängare M1

FB/M1

Elektriskt ändläge O/C för M1

DP/M1

Distansplatta M1

SET/M1

Montage-set för M1

Flow Adjust

Graderingsskiva för Kulventil M1

UNL/M1-U

Låsning mutter för M1