SO NV 51B21

Syrafast Nålventil union PTFE

  • Syrafast nålventil med union
  • Se volymflöde under modeller
  • Tätning i PTFE
  • Union i båda ändar
  • SS 316 Ti, 1.4571
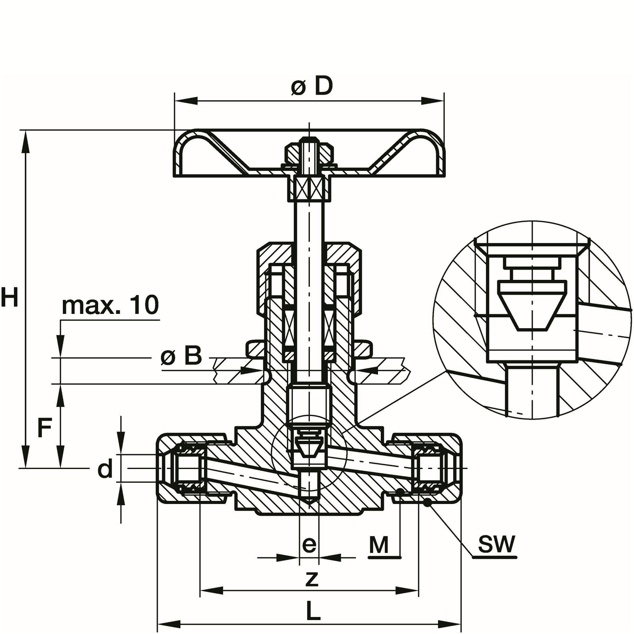
Visa alla mått +
Artikelnummer RSK dbarFlödeHMSWLBDFiler
0681500040 41603.5 L/min8810 x 1127222.570
0681500050 51603.5 L/min8810 x 1127222.570
0681500060 61604 L/min8810 x 1127222.570
0681500063 6.351604 L/min8810 x 1127222.570
0681500080 81607.1 L/min8812 x 1147622.570
0681500095 9.521607.5 L/min8814 x 1178022.570
0681500100 101607.5 L/min8814 x 1178022.570
0681500120 121608.5 L/min8816 x 1198222.570
0681500150 151608.5 L/min8820 x 1,5248922.570
Datablad