ODSM-DIN

PP/stålfläns DIN PN10/16

  • Glasfiberförstärkt PP/stålfläns
  • Formsprutad
  • Borrad DIN PN10/16
Visa alla mått +
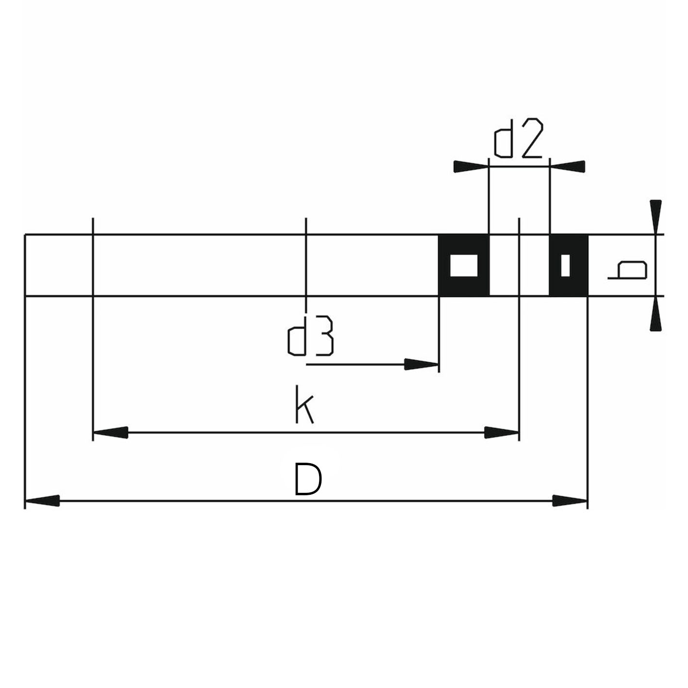
Artikelnummer RSK da(OD)DNDd2d3bkFörpackningsantalFiler
ODSM020 2015951428126575 CAD/Step
ODSM025 25201081434147540 CAD/Step
ODSM032 32251151442168532 CAD/Step
ODSM040 403214018511810020 CAD/Step
ODSM050 5040150186218110 CAD/Step
ODSM063 635016518781812515 CAD/Step
ODSM075 7565186189218145 CAD/Step
ODSM090 9080202181082016012 CAD/Step
ODSM110 110100220181282018011 CAD/Step
ODSM125 125100220181352018012 CAD/Step
ODSM140 1401252501815824210 CAD/Step
ODSM160 16015028522178232407 CAD/Step
Datablad