Hem / Produkter / Specialrörsystem / AgruAir / GIAIR
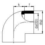
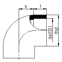
PE100-blue vinkel 90°
”*” anger obligatoriska fält
E-postadress
Lösenord
Kom ihåg mig