NRFF

PVDF Dubbelnippel utv gänga reducerad

  • PVDF Dubbelnippel reducerad utv gänga
  • Vatten PN10 vid +20 °C
  • Se teknisk information för tillåtna tryck vid högre temperaturer
  • Större dimensioner mot förfrågan
  • Plastgänga bör endast användas mot plastgänga. Plast mot metall är ej att rekommendera
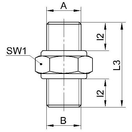
Visa alla mått +
Artikelnummer RSK ABl2l3L3SW2Filer
NRFF R008-R006 1/4"1/8"121030
NRFF R010-R008 3/8"1/4"121536.5
NRFF R015-R006 1/2"1/8"141036
NRFF R015-R008 1/2"1/4"141541
NRFF R015-R010 1/2"3/8"1415.341
Datablad

Materialegenskaper