GDLF33

PVDF Multiböj 90° SDR33

  • PVDF Multiböj 90° SDR33
  • Lång ände
  • Vatten PN10 vid +20 °C
  • Se teknisk information för tillåtna tryck vid högre temperaturer
  • Formsprutad
  • Stum- och IR-svetsning
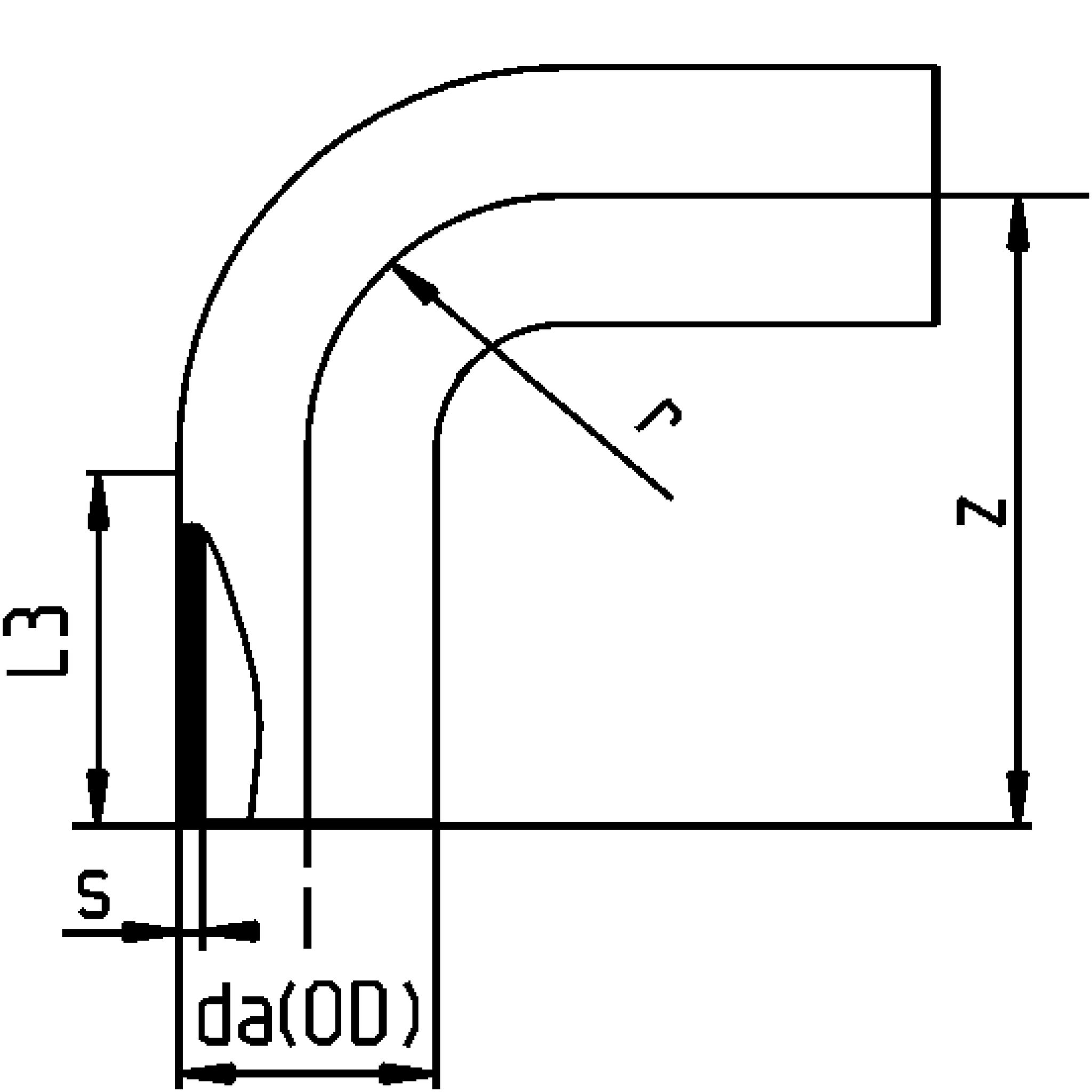
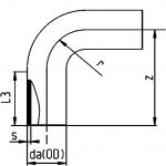
Visa alla mått +
Artikelnummer RSK da(OD)SDRszrL3FörpackningsantalFiler
GDLF33-090 90SDR332.8123903414 CAD/Step
GDLF33-110 110SDR333.4142110348 CAD/Step
GDLF33-140 140SDR334.3216140752 CAD/Step
GDLF33-160 160SDR334.9236160752 CAD/Step
Datablad

Materialegenskaper