Hem / Produkter / Rörsystem / Rördelar PVC / TIMV
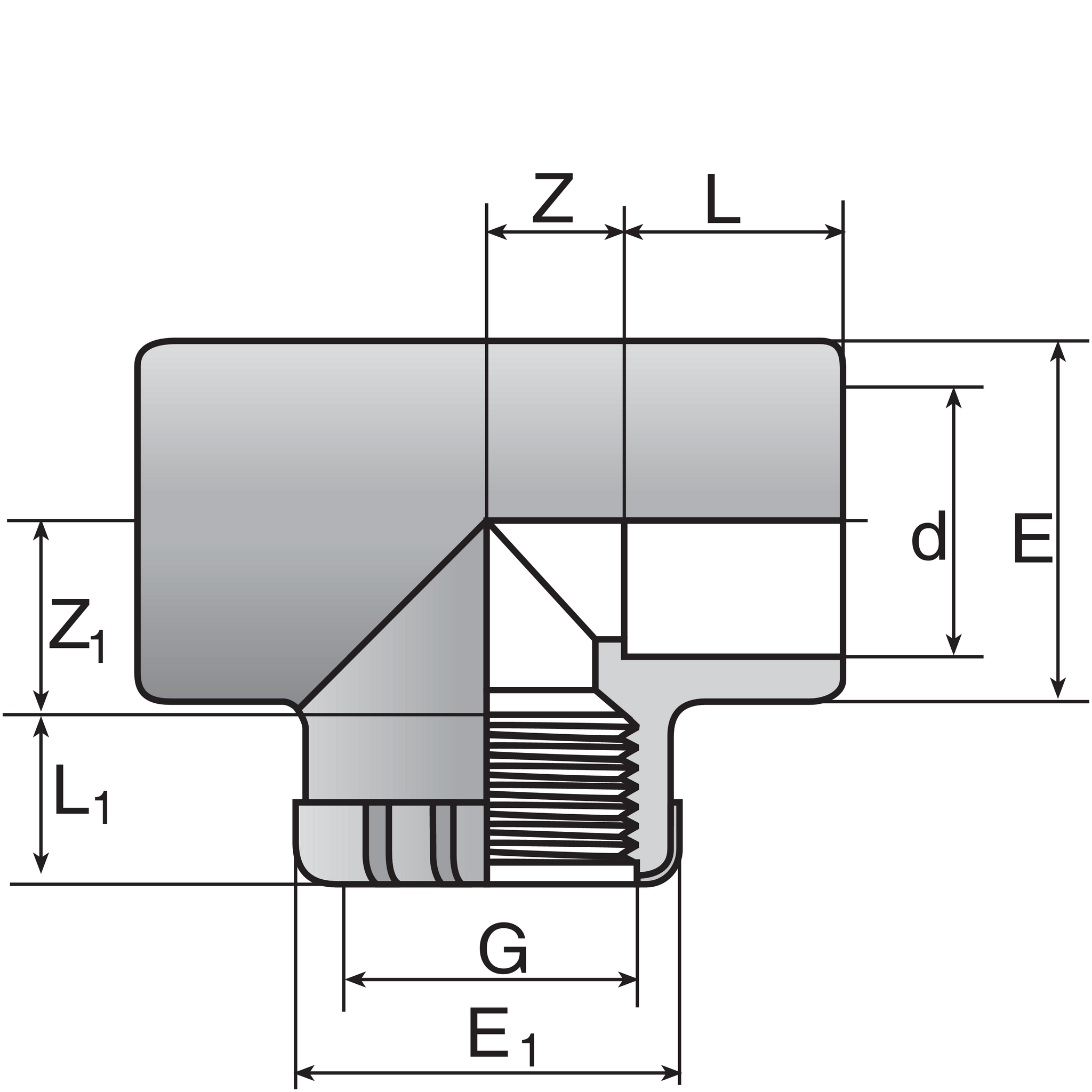
PVC T-rör inv lim/inv gänga
”*” anger obligatoriska fält
E-postadress
Lösenord
Kom ihåg mig