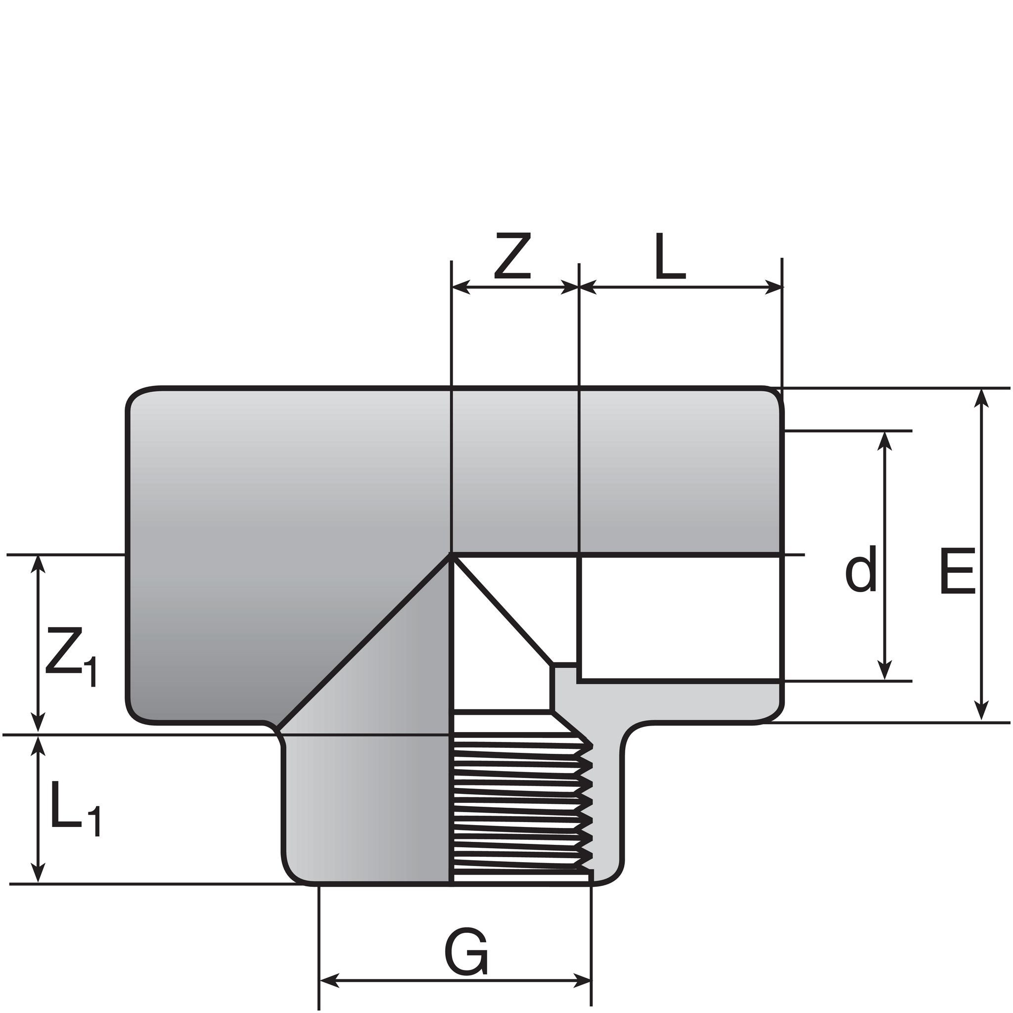
TIFV

PVC T-rör inv lim/inv gänga

  • PVC-U T-rör 90°
  • Vatten PN16 vid +20 °C
  • Se teknisk information för tillåtna tryck vid högre temperaturer
  • Avstick invändig gänga
  • Plastgänga bör endast användas mot plastgänga. Plast mot metall är ej att rekommendera
Visa alla mått +
Artikelnummer RSK d×GFörpackningsantalLL1ZZ1EViktFiler
TIFV 016-R010 2265809 16×3/8"3001411.491123.520 g CAD/Step
TIFV 020-R015 2265817 20×1/2"1801615121328.532 g CAD/Step
TIFV 025-R020 2265825 25×3/4"1001916.315173552 g
TIFV 032-R015 2265834 32×1/2"100221517.5184192 g CAD/Step
TIFV 032-R025 2265833 32×1"802219.118214371 g CAD/Step
TIFV 040-R032 2265841 40×1 1/4"602621.421.52750110 g CAD/Step
TIFV 050-R015 2265835 50×1/2"4031152727.561160 g CAD/Step
TIFV 050-R040 2265858 50×1 1/2"603121.4273761195 g CAD/Step
TIFV 063-R015 2265836 63×1/2"45381533.537.576305 g CAD/Step
TIFV 063-R050 2265866 63×2"353825.733.54676405 g CAD/Step
TIFV 075-R065 2265874 75×2 1/2"124430.24154.591605 g CAD/Step
TIFV 090-R080 2265882 90×3"125133.348.5661091070 g CAD/Step
TIFV 110-R100 2265890 110×4"86139.361.5831331690 g CAD/Step
Datablad

Materialegenskaper