QBMFK11

PP Kraghylsa SDR11

  • PP Kraghylsa SDR11
  • Vatten PN10 vid +20 °C
  • Se teknisk information för tillåtna tryck vid högre temperaturer
  • Formsprutad och fasad
  • Stumsvetsning
Visa alla mått +
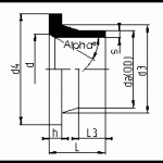
Artikelnummer RSK da(OD)sLL3dd3d4hAlpha (°)Filer
QBMFK11-110 1101082381001251581830
QBMFK11-140 14012.792371251551882530
QBMFK11-160 16014.692381501752122530
QBMFK11-225 22520.5113522102352683230
QBMFK11-315 31528.6136653013353703522
QBMFK11-355 35532.2150703383734303530
Datablad