Hem / Produkter / Rörsystem / Rördelar PP / QBM33
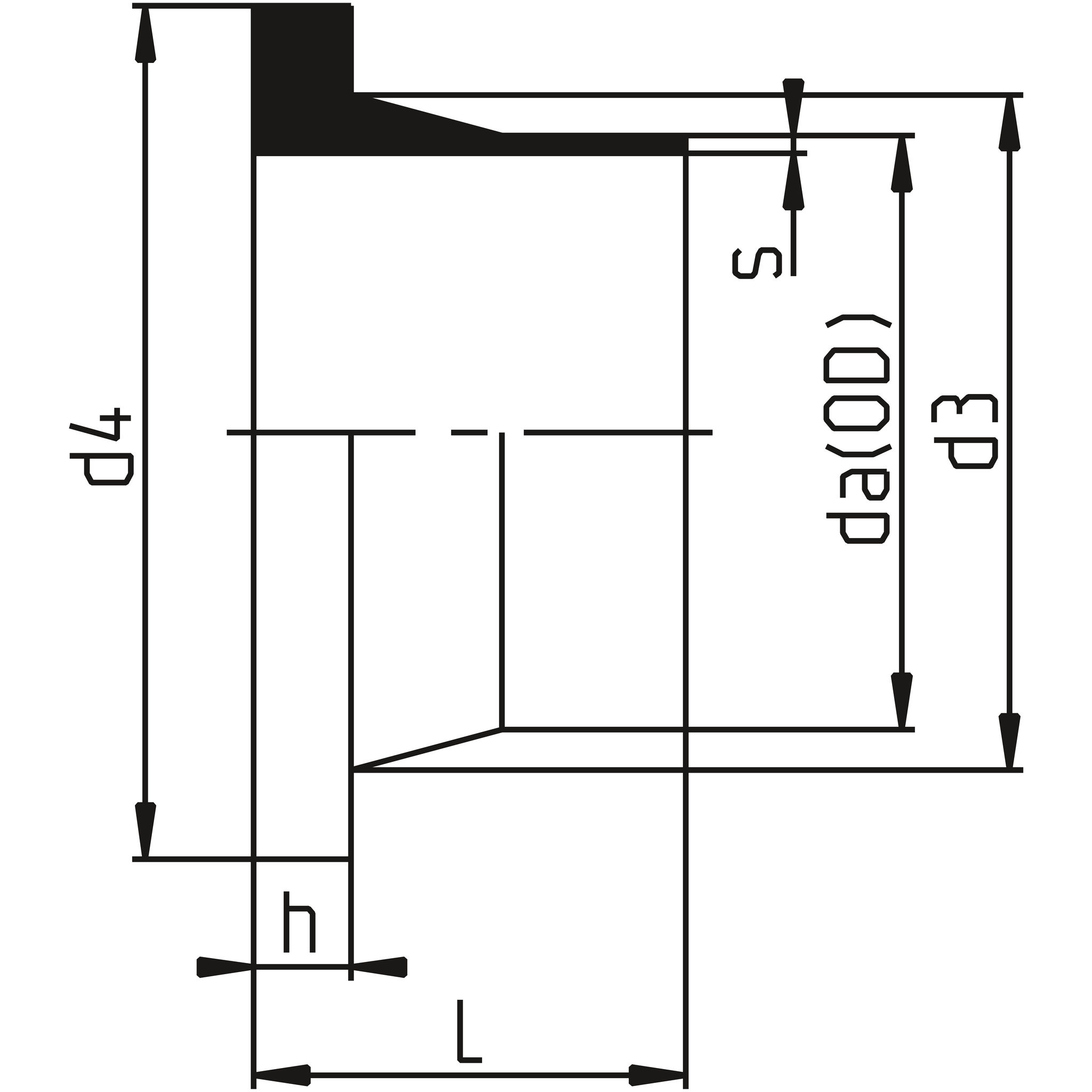
PP Kraghylsa SDR33
”*” anger obligatoriska fält
E-postadress
Lösenord
Kom ihåg mig