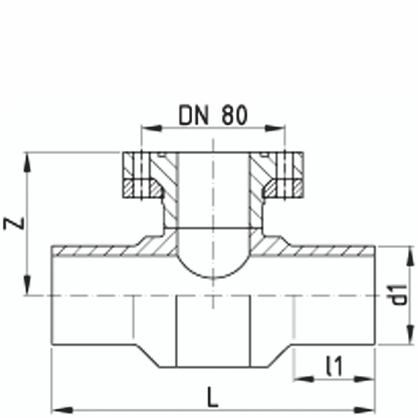
TSHY17-DN080

PE T-rör för brandpost flänsat SDR17

  • PE100 Brandpost T-rör SDR17
  • Vatten PN10 vid +20 °C
  • Se teknisk information för tillåtna tryck vid högre temperaturer
  • Specialtillverkade T-rör för anslutning av brandposter direkt på huvudledningen
  • Rörändar anpassade för elmuffsvetsning
  • Med flänsat avstick DN 80
  • Flänsen är en korrisionsfri kompositfläns
  • Plastbelagd stålfläns finns som tillval
  • d110, 125 och 160mm formsprutat med fot
  • Stum-, Elmuffsvetsning
Visa alla mått +
Artikelnummer RSK d1DNl1LZFiler
TSHY17-090-080 908080390210
TSHY17-110-080 1108090395205
TSHY17-125-080 12580100405205
TSHY17-140-080 14080110395225
TSHY17-160-080 16080110440235
TSHY17-180-080 18080250395245
TSHY17-200-080 20080250435255
TSHY17-225-080 22580250435270
TSHY17-250-080 25080250705280
TSHY17-280-080 28080250705295
TSHY17-315-080 31580250705315
TSHY17-355-080 35580300715330
TSHY17-400-080 40080300915355
Datablad

Materialegenskaper