TRDE11

PE T-rör reducerat SDR11

  • PE100-RC T-rör reducerat SDR11
  • Korta ändar
  • Vatten PN16 vid +20 °C
  • Gas PN10 vid +20 °C
  • Se teknisk information för tillåtna tryck vid högre temperaturer
  • Formsprutad
  • Stum-, IR-svetsning
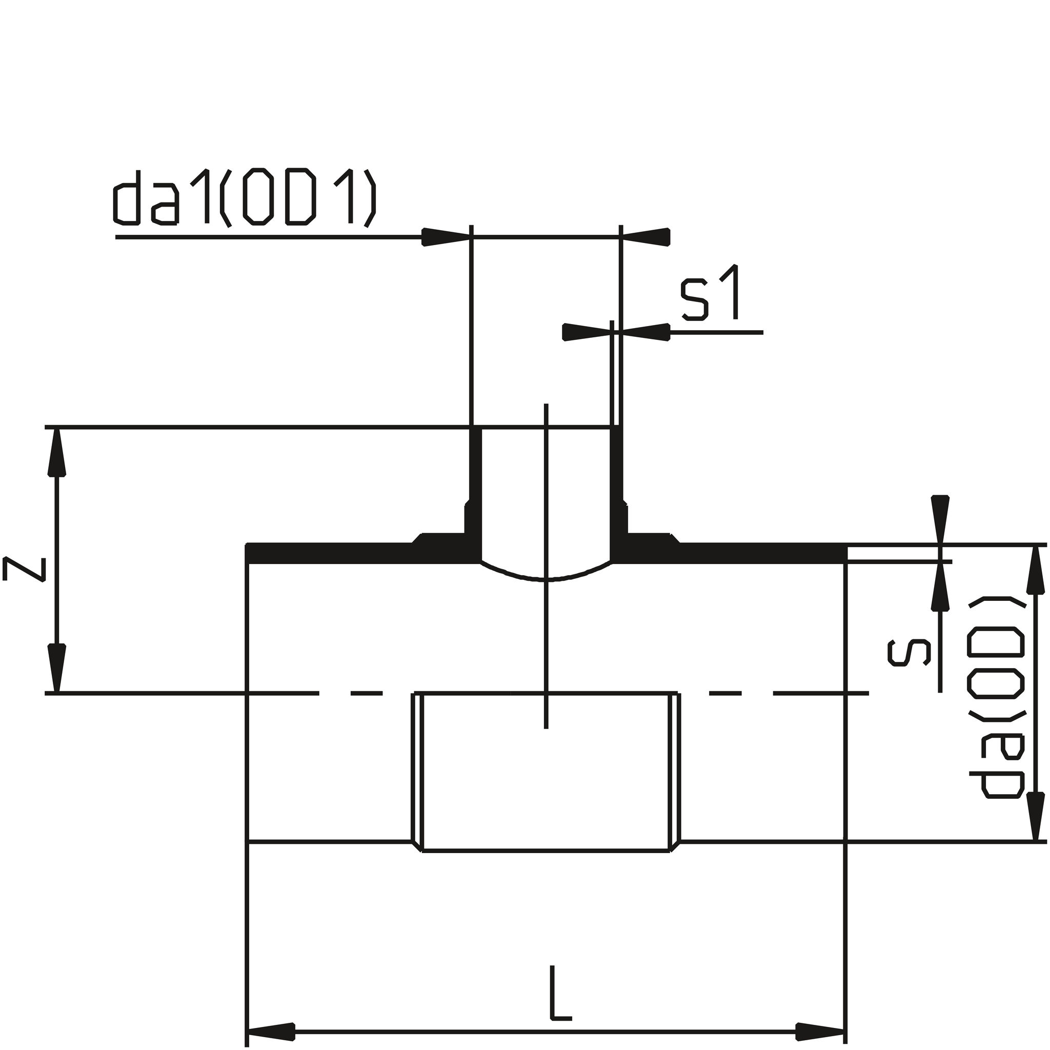
Visa alla mått +
Artikelnummer RSK da(OD)da1(OD1)FörpackningsantalSDRSZLS1Filer
TRDE11-RC-090-032 2530140 903210SDR118.2852033
TRDE11-RC-090-050 2530141 905010SDR118.2902034.6
TRDE11-RC-110-032 2530143 110329SDR1110942303
TRDE11-RC-110-050 2530144 110509SDR11101002304.6
TRDE11-RC-125-063 2530145 1256310SDR1111.41122655.8
TRDE11-RC-140-063 140637SDR1112.71202905.8
TRDE11-RC-140-075 2530147 140757SDR1112.71303006.8
TRDE11-RC-140-090 2530148 140907SDR1112.71302908.2
TRDE11-RC-140-110 2530149 1401106SDR1112.714130010
TRDE11-RC-160-125 2530150 1601255SDR1114.615031511.4
TRDE11-RC-180-063 2530151 180635SDR1116.41393525.8
TRDE11-RC-180-075 2530152 180755SDR1116.41443486.8
TRDE11-RC-180-125 2530153 1801254SDR1116.416635811.4
TRDE11-RC-225-125 2530156 2251254SDR1120.517843511.4
Datablad

Drift och skötsel

EPD (Environmental Product Declaration)

Materialegenskaper