S90E07-RC

PE Böj 90° SDR7,4

  • PE100-RC Böj 90° SDR7,4
  • Vatten PN 25 vid +20 °C
  • Se teknisk information för tillåtna tryck vid högre temperaturer
  • Böjd av rör
  • Enligt norm SS-EN 12201 är toleransen +/- 5°
  • Stum- och Elmuffsvetsning
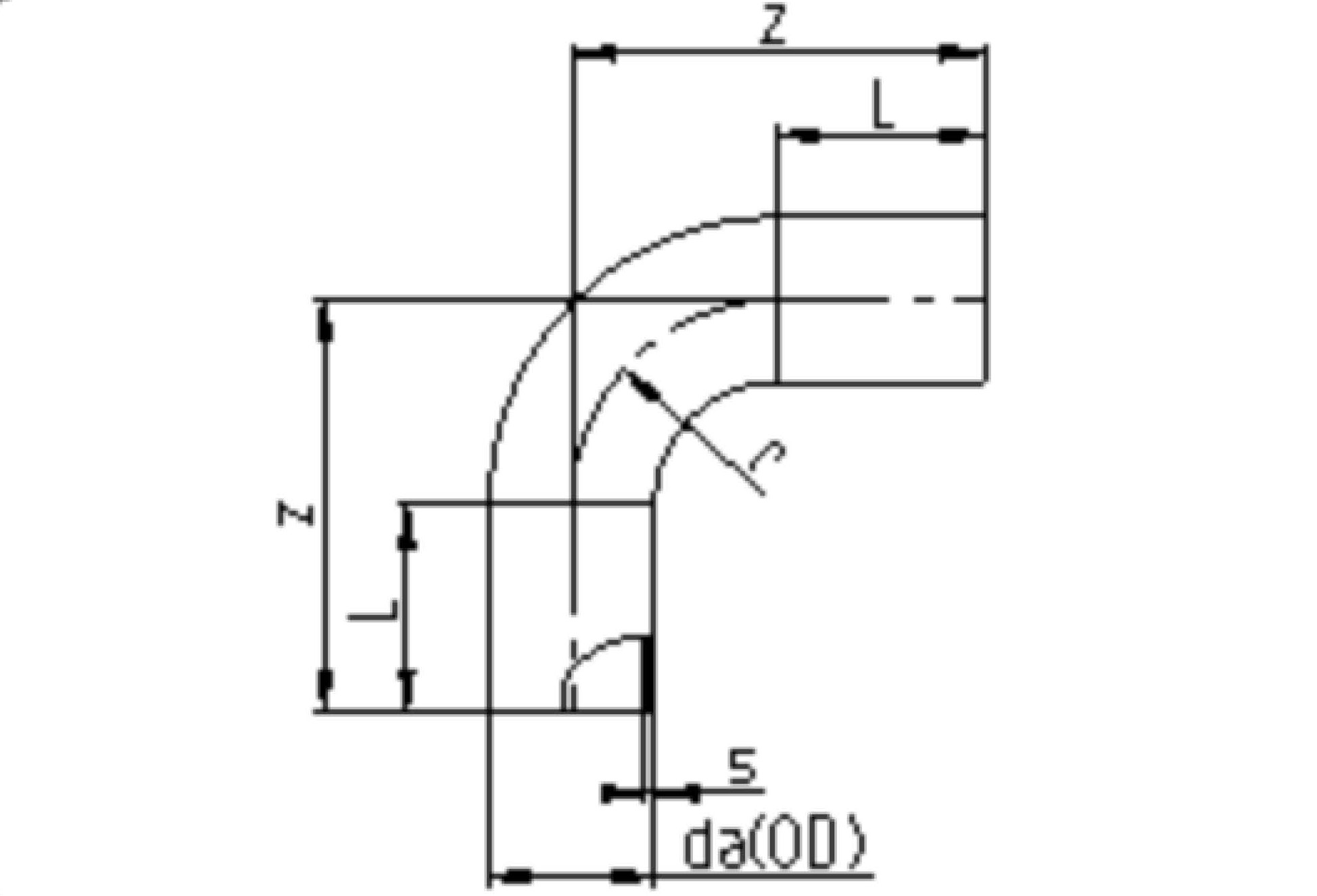
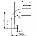
Visa alla mått +
Artikelnummer RSK da(OD)zLrSDRSFiler
S90E07-RC-225 225590150338
S90E07-RC-250 250730250375
S90E07-RC-280 280750250420
S90E07-RC-315 315900300496
S90E07-RC-355 3551000300560
S90E07-RC-400 4001050300637
S90E07-RC-450 4501150300711
S90E07-RC-500 5001300350783
Datablad

Drift och skötsel

EPD (Environmental Product Declaration)

Materialegenskaper