Hem / Produkter / Rörsystem / Rördelar PE / S60E07-RC
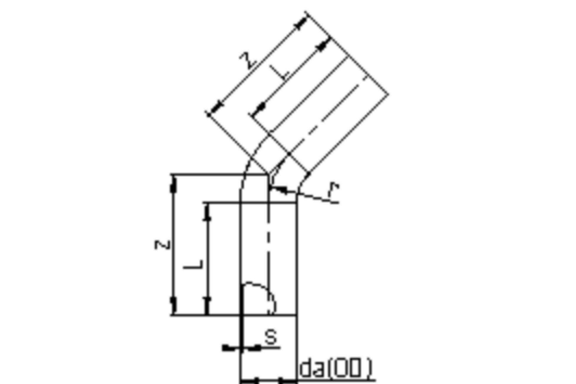
PE Böj 60° SDR7,4
”*” anger obligatoriska fält
E-postadress
Lösenord
Kom ihåg mig