S30E07-RC

PE Böj 30° SDR7,4

  • PE100-RC Böj 30° SDR7,4
  • Vatten PN 25 vid +20 °C
  • Se teknisk information för tillåtna tryck vid högre temperaturer
  • Böjd av rör
  • Enligt norm SS-EN 12201 är toleransen +/- 5°
  • Stum- och Elmuffsvetsning
Visa alla mått +
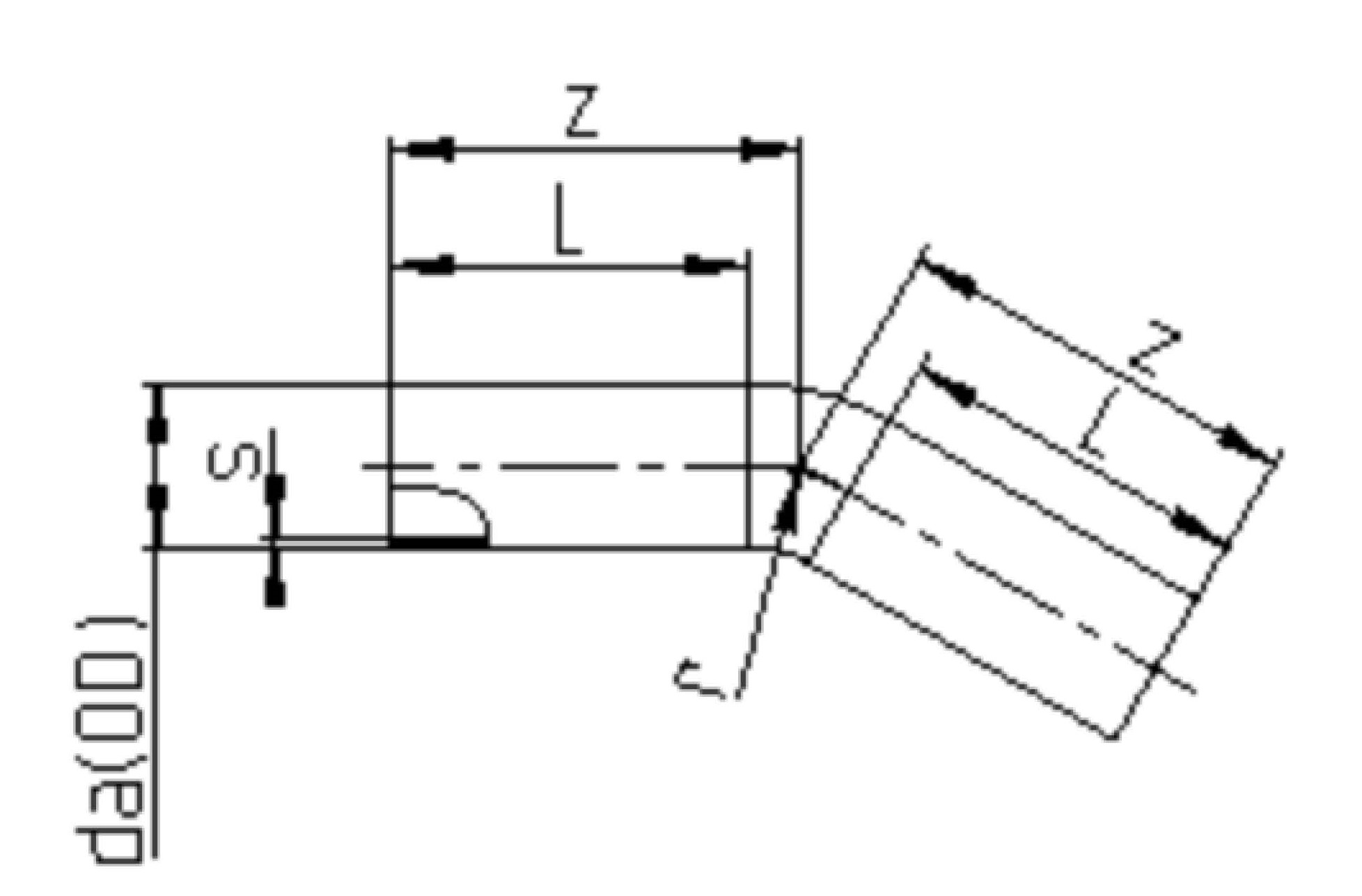
Artikelnummer RSK da(OD)sLzrFiler
S30E07-RC-090 9012,3150210135
S30E07-RC-110 11015.1150220165
S30E07-RC-125 12517.1150235188
S30E07-RC-160 16021.9150260240
S30E07-RC-200 20027.4150310300
S30E07-RC-225 22530.8150350338
S30E07-RC-250 25034.2150430375
S30E07-RC-280 28038.3250450420
S30E07-RC-315 31543.1300500496
S30E07-RC-355 35548.5300590560
S30E07-RC-400 40054.7300650637
S30E07-RC-450 45061.5300700711
S30E07-RC-500 50068.3350750783
Datablad

Drift och skötsel

EPD (Environmental Product Declaration)

Materialegenskaper