S-T45E17-RC

PE T-rör 45° SDR17

  • PE100-RC T-rör 45° SDR17
  • Vatten PN 6 vid +20 °C
  • Se teknisk information för tillåtna tryck vid högre temperaturer
  • Segmentsvetsad
  • Stumsvetsning
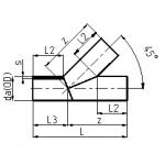
Visa alla mått +
Artikelnummer RSK da(OD)szLL2L3Filer
S-T45E17-RC-0250 25014.8602984300352 CAD/Step
S-T45E17-RC-0280 28016.6638996300358 CAD/Step
S-T45E17-RC-0315 31518.77301145350415 CAD/Step
S-T45E17-RC-0355 35521.17791203350424 CAD/Step
S-T45E17-RC-0400 40023.78331266350433 CAD/Step
S-T45E17-RC-0450 45026.78931336350443 CAD/Step
S-T45E17-RC-0500 50029.79541408350454 CAD/Step
S-T45E17-RC-0560 56033.210261492350466 CAD/Step
S-T45E17-RC-0630 63037.411101590350480 CAD/Step
Datablad

EPD (Environmental Product Declaration)

Materialegenskaper