REL-EX11

PE Reducering excentrisk SDR11

  • PE100-RC Reducering excentrisk SDR11
  • Långa ändar
  • Vatten PN16 vid +20 °C
  • Gas PN10 vid +20 °C
  • Se teknisk information för tillåtna tryck vid högre temperaturer
  • Formsprutad
  • Stum- och Elmuffsvetsning
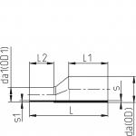
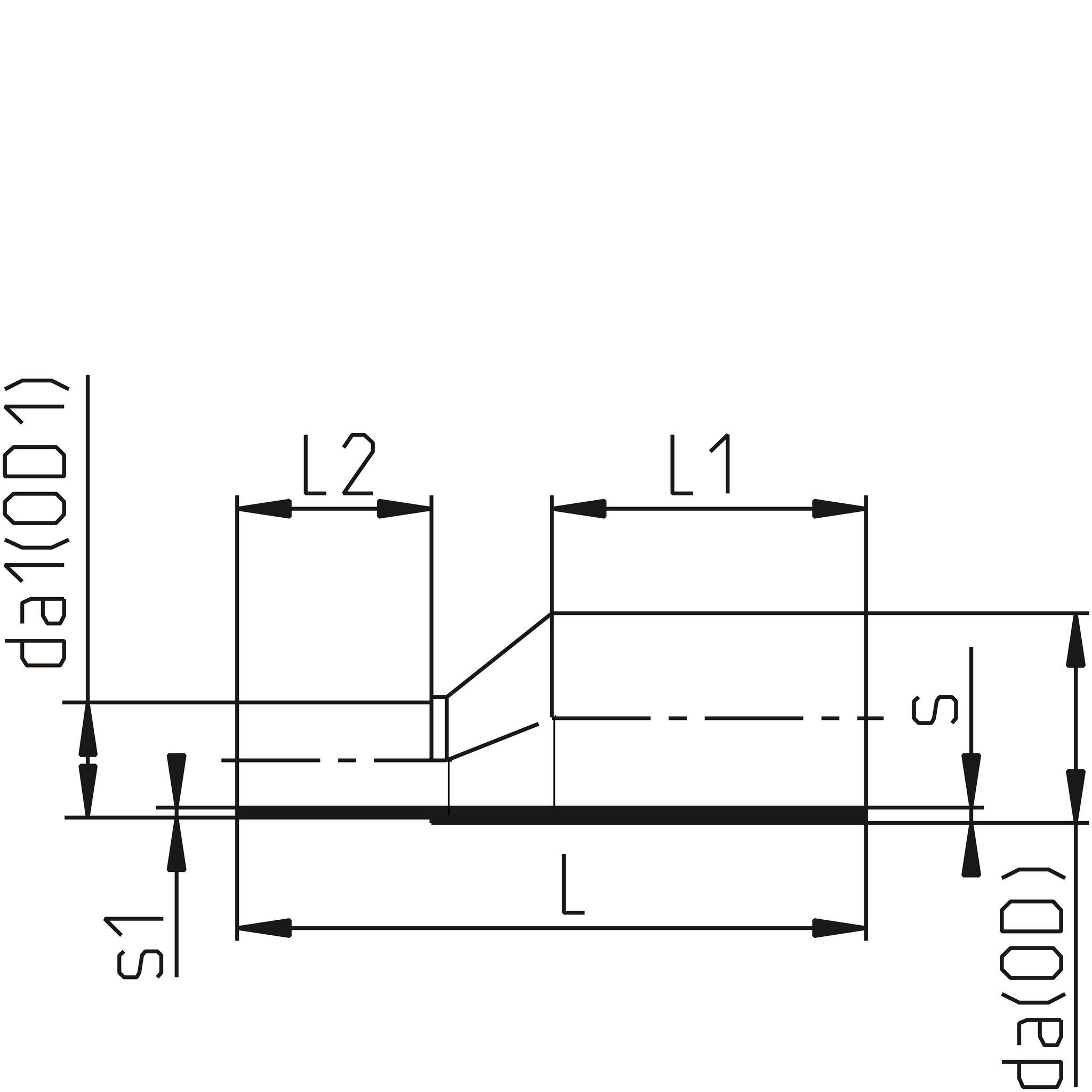
Visa alla mått +
Artikelnummer RSK da*da1FörpackningsantalSDRsLs1L1L2Filer
REL-EX11-RC-025-020 2519109 25×2050SDR11310335138
REL-EX11-RC-032-025 2519110 32×2550SDR11311435640
REL-EX11-RC-040-025 2519111 40×2530SDR113.712636040
REL-EX11-RC-040-032 2519112 40×3230SDR113.712535944
REL-EX11-RC-050-032 2519113 50×3240SDR114.615637145
REL-EX11-RC-050-040 2519114 50×4030SDR114.61573.77149
REL-EX11-RC-063-032 2519115 63×3225SDR115.817737545
REL-EX11-RC-063-040 2519116 63×4025SDR115.81773.77649
REL-EX11-RC-063-050 2519117 63×5020SDR115.81774.67656
REL-EX11-RC-075-050 2519118 75×5015SDR116.81974.68257
REL-EX11-RC-075-063 2519119 75×6313SDR116.81975.88363
REL-EX11-RC-090-063 2519120 90×639SDR118.22135.89264
REL-EX11-RC-090-075 2519121 90×759SDR118.22236.89369
REL-EX11-RC-110-063 2519122 110×636SDR11102475.89963
REL-EX11-RC-110-090 2519123 110×905SDR11102448.29879
REL-EX11-RC-125-063 2519124 125×638SDR1111.42685.810563
REL-EX11-RC-125-090 2519125 125×908SDR1111.42658.2106.579
REL-EX11-RC-125-110 2519126 125×1104SDR1111.42601010387
REL-EX11-RC-140-125 2519127 140×1257SDR1112.728311.4109.595
REL-EX11-RC-160-090 2519128 160×906SDR1114.63098.2117.579
REL-EX11-RC-160-110 2519129 160×1106SDR1114.630910115.587
REL-EX11-RC-160-125 2519130 160×1258SDR1114.630911.4116.591
REL-EX11-RC-160-140 2519131 160×1404SDR1114.630812.7116.597.5
REL-EX11-RC-180-090 2519132 180×904SDR1116.43488.2128.579
REL-EX11-RC-180-125 2519133 180×1253SDR1116.435311.413093
REL-EX11-RC-180-160 2519134 180×1606SDR1116.435314.6130104
REL-EX11-RC-200-160 2519135 200×1602SDR1118.237314.6138.5104
REL-EX11-RC-200-180 2519136 200×1802SDR1118.237316.4143.5111
REL-EX11-RC-225-160 2519137 225×1601SDR1120.540514.6154.5100
REL-EX11-RC-225-180 2519138 225×1801SDR1120.540316.4154.5110
REL-EX11-RC-225-200 2519139 225×2002SDR1120.540318.2155.5126
REL-EX11-RC-250-200 2519140 250×2001SDR1122.744018.2180120
REL-EX11-RC-250-225 2519141 250×2251SDR1122.744020.5179125
Datablad

Drift och skötsel

EPD (Environmental Product Declaration)

Materialegenskaper