RBFE-RC

PE Muff utv svets/inv gänga SDR11

  • PE100-RC Övergång SDR11
  • Vatten PN10 vid +20 °C
  • Se teknisk information för tillåtna tryck vid högre temperaturer
  • Utvändig muffsvetsning till invändig gänga
  • Plastgänga bör endast användas mot plastgänga. Plast mot metall är ej att rekommendera
  • Formsprutad
  • Stum- och Muffsvetsning
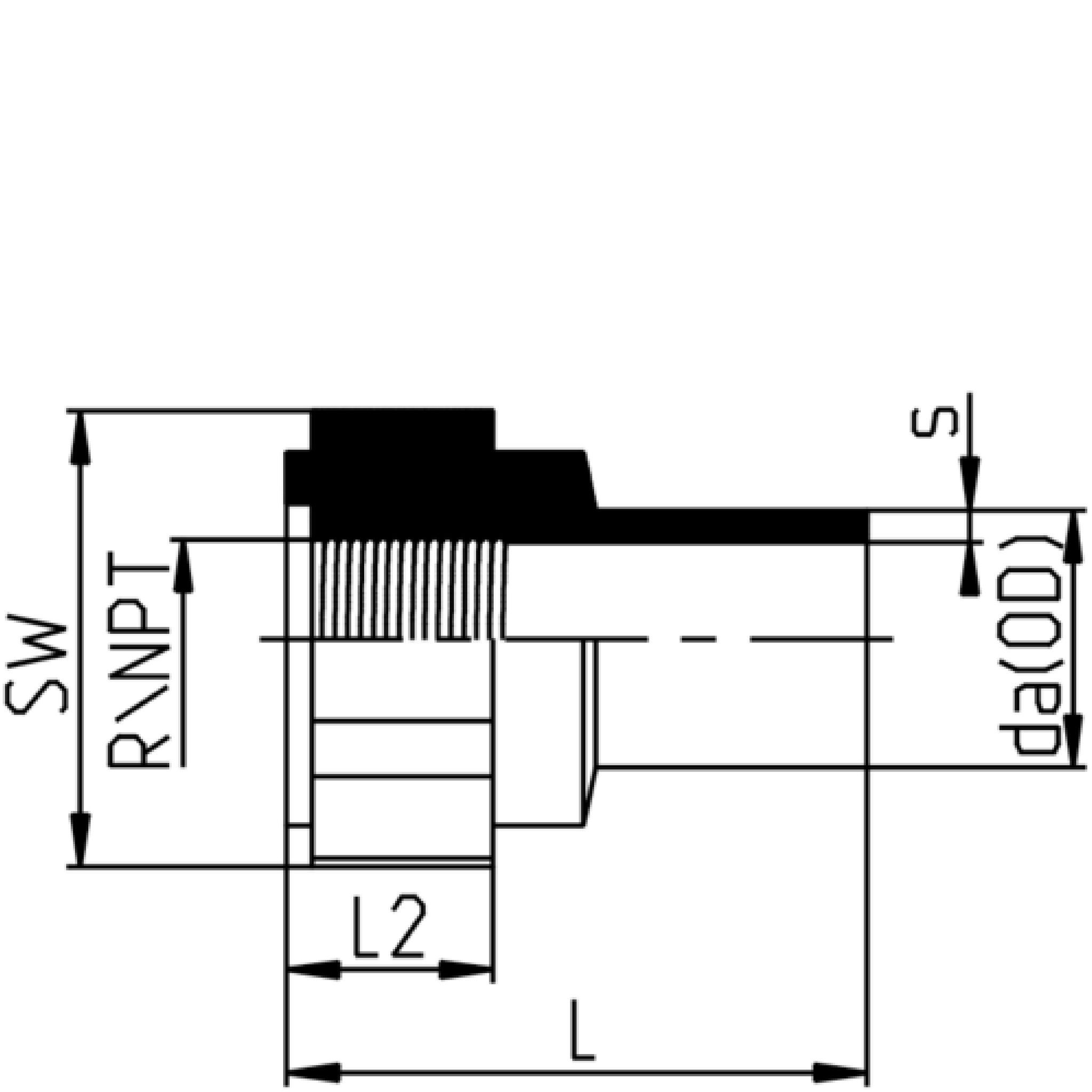
Visa alla mått +
Artikelnummer RSK da(OD)FörpackningsantalsLL2SWRFiler
RBFE-RC-020-R015 2070024516321/2" CAD/Step
RBFE-RC-025-R020 253002.35118413/4" CAD/Step
RBFE-RC-032-R025 3225035820461" CAD/Step
RBFE-RC-040-R032 401503.76224551 1/4" CAD/Step
RBFE-RC-050-R040 50304.66825.5701 1/2" CAD/Step
RBFE-RC-063-R050 63205.87530852" CAD/Step
Datablad

Drift och skötsel

EPD (Environmental Product Declaration)

Materialegenskaper