QELFK11

PE Kraghylsa fasad för vridspjäll SDR11

  • PE100-RC kraghylsa SDR11
  • Kraghylsa fasad för vridspjäll
  • Långa ändar
  • Vatten PN16 vid +20 °C
  • Gas PN10 vid +20 °C
  • Se teknisk information för tillåtna tryck vid högre temperaturer
  • Formsprutad
  • Stum- och Elmuffsvetsning
  • Större dimensioner mot förfrågan
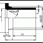
Visa alla mått +
Artikelnummer RSK da(OD)FörpackningsantaldsLd3d4L3hAlpha (°)Filer
QELFK11-RC-110 2525881 1104100101571251581151830
QELFK11-RC-160 2525882 160415014.61971752121482530
QELFK11-RC-200 2525884 200421018.22072322681403230
QELFK11-RC-225 2525885 225421020.52072352681453230
QELFK11-RC-250 2525886 250225522.72002853201323525
QELFK11-RC-280 2525887 280225525.42142883201453525
QELFK11-RC-315 2525888 315230128.62343353701543522
QELFK11-RC-355 2525889 355233832.22533734301764030
QELFK11-RC-400 2525890 400137836.32704274821854630
Datablad

Drift och skötsel

EPD (Environmental Product Declaration)

Materialegenskaper