KEL17

PE Vinkel 30° SDR17

  • PE100 vinkel 30° SDR17
  • Långa ändar
  • Vatten PN10 vid +20 °C
  • Gas PN6 vid +20 °C
  • Se teknisk information för tillåtna tryck vid högre temperaturer
  • Formsprutad
  • Stum- och Elmuffsvetsning
  • Om artikelnummer innehåller RC så är materialet PE100-RC
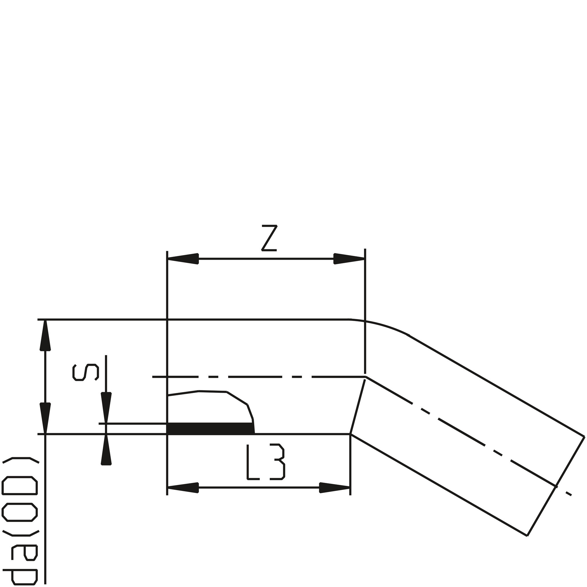
Visa alla mått +
Artikelnummer RSK dFörpackningsantalSDRszL3Filer
KEL17-075 2427377 7520SDR174.510377
KEL17-RC-090 2427378 909SDR175.4208.5192
KEL17-RC-110 2427379 11010SDR176.6216.5195
KEL17-125 2427380 1254SDR177.4142100
KEL17-140 2427381 1403SDR178.3144103
KEL17-RC-160 2427382 1604SDR179.5230206
KEL17-180 2427383 1801SDR1710.7165120
KEL17-200 2427384 2001SDR1711.9175125
KEL17-225 2427385 2251SDR1713.4188133
KEL17-250 2501SDR1714.8215144 CAD/Step
KEL17-280 2801SDR1716.6229155 CAD/Step
KEL17-315 3151SDR1718.7250163 CAD/Step
Datablad

Drift och skötsel

EPD (Environmental Product Declaration)

Materialegenskaper