GDLE11

PE Multiböj 90° SDR11

  • PE100-RC Multiböj 90° SDR11
  • Långa ändar
  • Vatten PN16 vid +20 °C
  • Gas PN10 vid +20 °C
  • Se teknisk information för tillåtna tryck vid högre temperaturer
  • Formsprutad
  • Stum- och Elmuffsvetsning
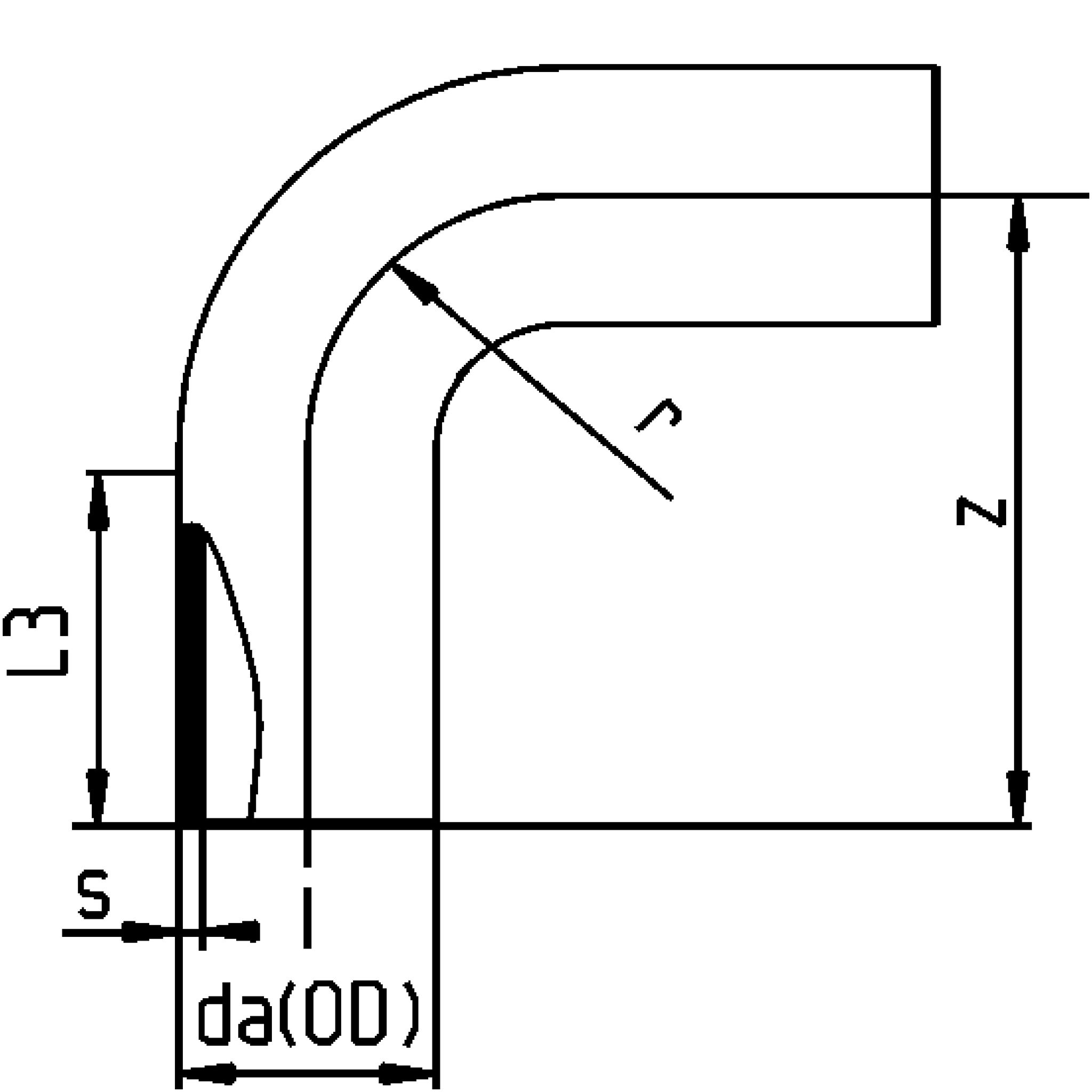
Visa alla mått +
Artikelnummer RSK da(OD)FörpackningsantalSDRszrL3Filer
GDLE11-RC-020 2522410 20200SDR112602040
GDLE11-RC-025 2522411 25100SDR112.368.52542.5
GDLE11-RC-032 2522412 3250SDR113793247
GDLE11-RC-040 2522413 4030SDR113.792.54052
GDLE11-RC-050 2522414 5040SDR114.6108.55058.5
GDLE11-RC-063 2522415 6320SDR115.8129.56366.5
GDLE11-RC-075 2522416 7515SDR116.81507575
GDLE11-RC-090 2522417 9010SDR118.21689076
GDLE11-RC-110 2522418 11014SDR111018911082
GDLE11-RC-125 2522419 1258SDR1111.421812592
GDLE11-RC-140 2522420 1405SDR1112.724114095
GDLE11-RC-160 2522421 1604SDR1114.6260160100.5
GDLE11-RC-180 2522422 1805SDR1116.4285180109
GDLE11-RC-200 2522423 2003SDR1118.2318.5200118.5
GDLE11-RC-225 2522424 2252SDR1120.5353225125
GDLE11-RC-250 2502SDR1122.7389250133
GDLE11-RC-280 2801SDR1125.4429280143
GDLE11-RC-315 2522425 3151SDR1128.6475315158
Datablad

Drift och skötsel

EPD (Environmental Product Declaration)

Materialegenskaper