TRET

ECTFE T-rör d110-160x63mm SDR21

  • ECTFE T-rör SDR21
  • Lång ände
  • Vatten PN10 vid +20 °C
  • Se teknisk information för tillåtna tryck vid högre temperaturer
  • Formsprutad
  • Stum- och IR-svetsning
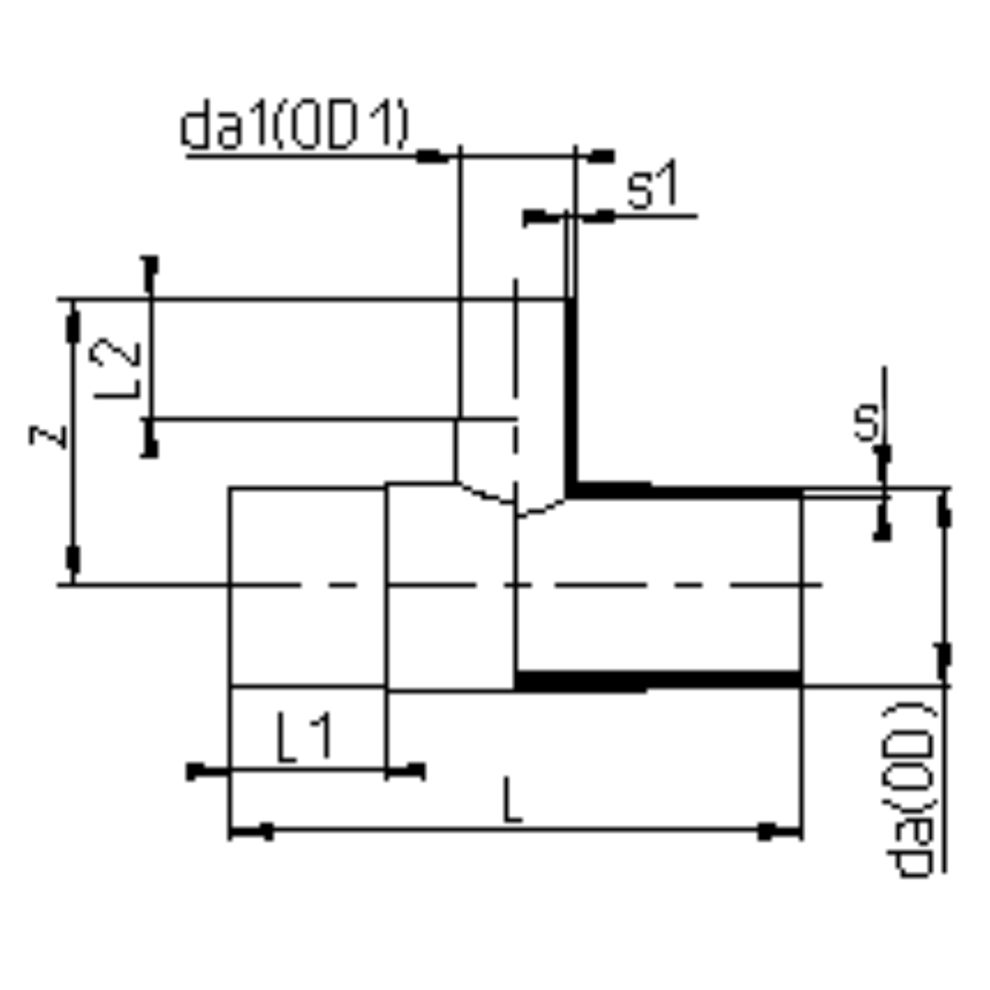
Visa alla mått +
Artikelnummer RSK da(OD)da1(OD1)szLs1L1L2Filer
TRET21-110-063 110635.310523035236 CAD/Step
TRET21-160-063 160637.7175345310065 CAD/Step
Datablad

Materialegenskaper