GDLT

ECTFE Multiböj 90° SDR21

  • ECTFE Multiböj 90° SDR21
  • Lång ände
  • Vatten PN10 vid +20 °C
  • Se teknisk information för tillåtna tryck vid högre temperaturer
  • Formsprutad
  • Stum- och IR-svetsning
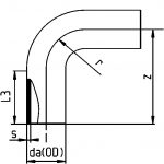
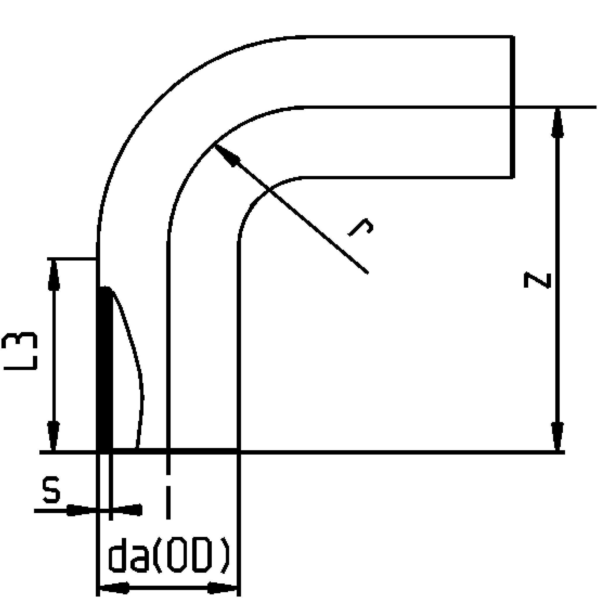
Visa alla mått +
Artikelnummer RSK da(OD)szrL3Filer
GDLT21-020 201.9512033 CAD/Step
GDLT21-025 251.9562533 CAD/Step
GDLT21-032 322.4633233 CAD/Step
GDLT21-040 402,4734036 CAD/Step
GDLT21-050 503845036 CAD/Step
GDLT21-063 633976334 CAD/Step
GDLT21-075 753.61007528 CAD/Step
GDLT21-090 904.31239034 CAD/Step
GDLT21-110 1105.314211034 CAD/Step
GDLT21-140 1406.721614073 CAD/Step
GDLT21-160 1607.723616073 CAD/Step
Datablad

Materialegenskaper