PF-TEL17

PE/PE Poly-Flo T-rör SDR17/33

  • PE100-RC T-rör Poly-Flo SDR17
  • Ytterrör i SDR33
  • Reducerad tryckklass 0.6
  • Se teknisk information för tillåtna tryck
  • Segmentsvetsad
  • Svart
  • Simultan- och cascadesvetsning
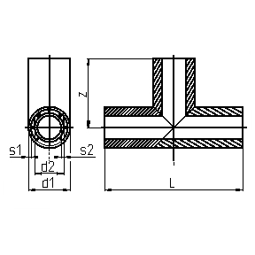
Visa alla mått +
Artikelnummer RSK d1d2zLs1s2Filer
PF-TEL17-110 1601102004004.96.6
PF-TEL17-160 2251602505006.99.5
Datablad

Övrigt