Hem / Produkter / Rörsystem / Dubbelrörsystem / DU-DOG2GE
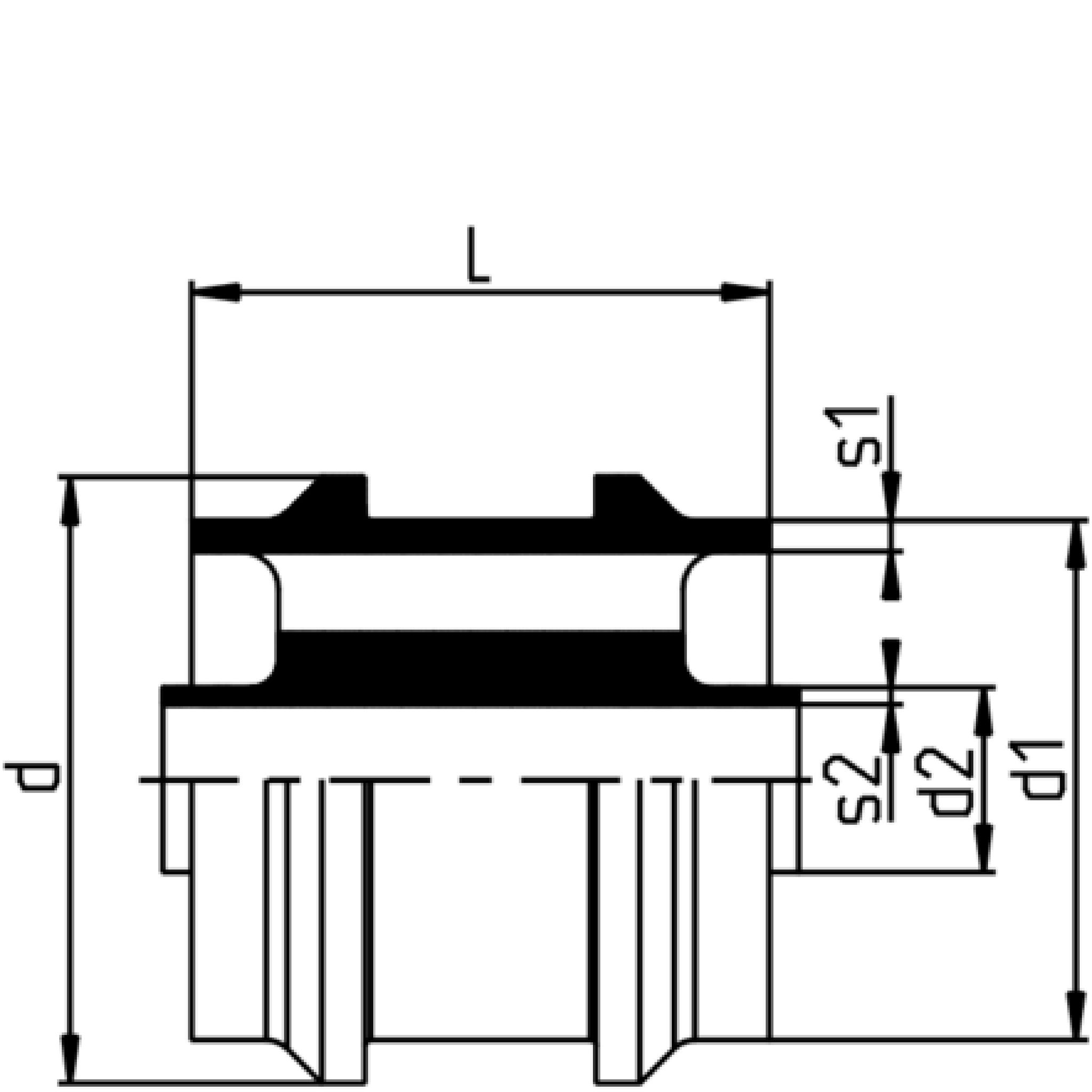
PE/PE dogbone med krage genomgående
”*” anger obligatoriska fält
E-postadress
Lösenord
Kom ihåg mig