DU-DOG2E

PE/PE dogbone med krage övergång

  • PE100-RC Dogbone övergång till enkelrör med krage
  • Se PN för vatten vid +20 °C under modeller
  • Se teknisk information för tillåtna tryck vid högre temperaturer
  • Krage för fixering
  • Maskinbearbetad
  • Svart
  • Simultansvetsning
Visa alla mått +
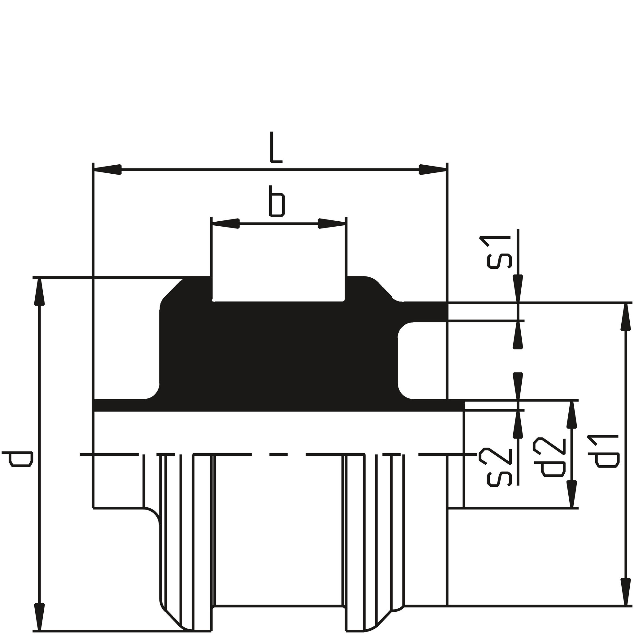
Artikelnummer RSK d (mm)SDRPNLs1s2dd1d2bFiler
DU-DOG2E11-032 32/9011/17161005.42.9105903240
DU-DOG2E11-063 63/11011/33161003.45.81271106340
DU-DOG2E11-090 90/16011/33161304.98.21801609060 CAD/Step
DU-DOG2E11-110 110/20011/33161406.21022520011060
DU-DOG2E11-160 160/28011/33161458.614.630528016065 CAD/Step
DU-DOG2E11-200 200/31511/33161109.718.234031520065 CAD/Step
DU-DOG2E11-250 250/35511/331611010.922.838035525065 CAD/Step
DU-DOG2E17-090 90/16017/33101304.95.41801609060 CAD/Step
DU-DOG2E17-110 110/20017/33101406.26.622520011060
Datablad

Materialegenskaper