Hem / Produkter / Koppling / Slang / Instrumentkoppling / SOL 53621 L
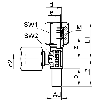
Syrafast T-rör med svivel
”*” anger obligatoriska fält
E-postadress
Lösenord
Kom ihåg mig