SOL 52824

Syrafast Banjo utv gänga

  • Syrafast Banjo
  • Utvändig gänga
  • SS 316 Ti, 1.4571
Visa alla mått +
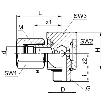
Artikelnummer RSK dGbarMSW1/SW2/SW3LDHiz1/z2eFiler
0782841100 61/8400M10x114/16/142818217.518/10.54.5
0782841135 6.351/8400M10x114/16/142918211018/10.54.5
0782841160 81/8330M12x117/19/142918226.519/10.54.5
0782841170 81/4330M12x117/24/193121271120.5/127
0782841230 9.521/4330M14x119/24/1933.52127920.5/127
0782841270 101/4330M14x119/24/193321271120.5/127
0782841390 123/8330M16x122/30/2436.528351224/159
0782841434 12.71/2330M20x1.527/35/2743.53241.513.528.5/1811
0782841534 151/2250M20x1.527/35/27433241.51328/1812
0782841566 161/2200M24x1.530/35/27463243.51128.5/1812
0782841646 181/2200M24x1.530/35/27453243.51128.5/1812
Datablad