SOL 52721

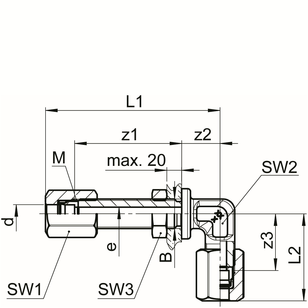
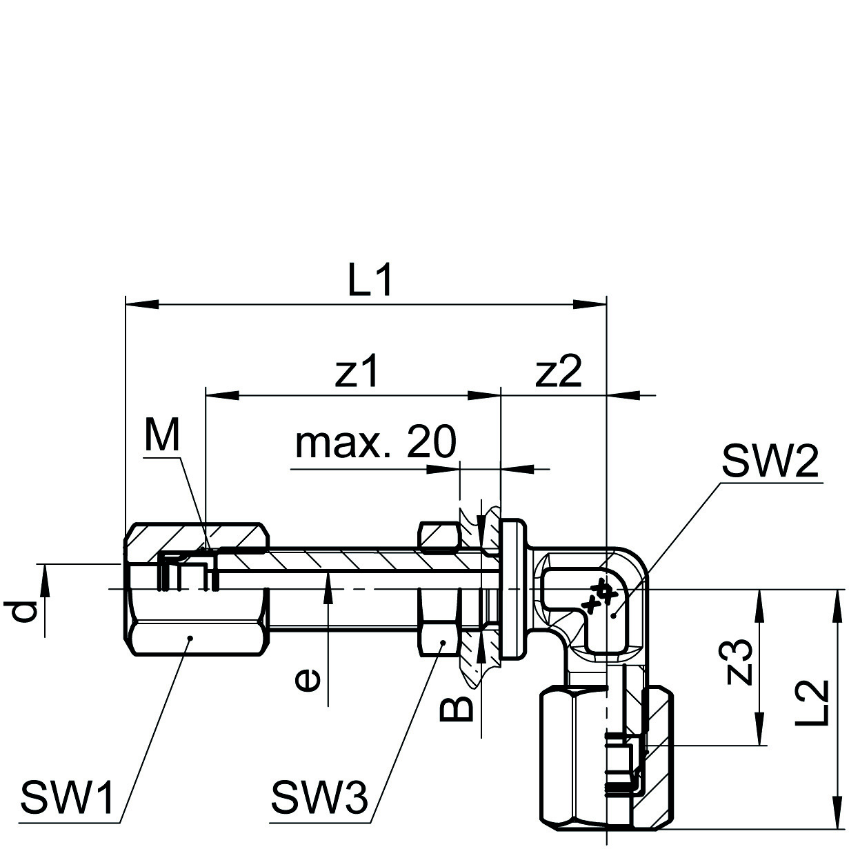
Syrafast Union vinkel 90° med genomföring

  • Syrafast Union vinkel 90° med genomföring
  • Max 20mm
  • SS 316 Ti, 1.4571
Visa alla mått +
Artikelnummer RSK dbarMSW1/SW2SW3eL1/L2Bz1/z2z3Filer
0782700060 640010x114/12144.559/2910.536/1319
0782700080 833012x117/12175.559,5/29,512.536/1319
0782700100 1033014x119/12197.565,5/35,514.536/1723
0782700120 1233016x122/14228.567/3716.537/1724
0782700150 1525020x1,527/19271378/4420.540/2329
0782700160 1625024x1,530/24301483/5224.542,5/2233
0782700180 1820024x1,530/24301581/5024.542,5/2233.5
0782700063 6.3540010x114/12144.560/3010.536/1319
0782700095 9.5233014x119/12197.566/3614.536/1723
0782700127 12.725020x1,527/19271178,5/44,520.540,5/2329.5
Datablad