SOL 52621

Syrafast Union vinkel 90° med justerbart avstick

  • Syrafast Union vinkel 90°
  • Justerbart avstick
  • SS 316 Ti, 1.4571
Visa alla mått +
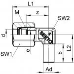
Artikelnummer RSK dADbarMSW1SW2L1/L2ebzFiler
0782600060 6640010x114926/18412.516
0782600080 8833012x1171028,5/2361518
0782600100 101033014x1191233/25,571720.5
0782600120 121233016x1221435/26,591821.5
0782600150 151525020x1,5271739/301219.524
0782600067 6.35640010x114926,5/18412.516
Datablad