SOL 52421

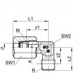
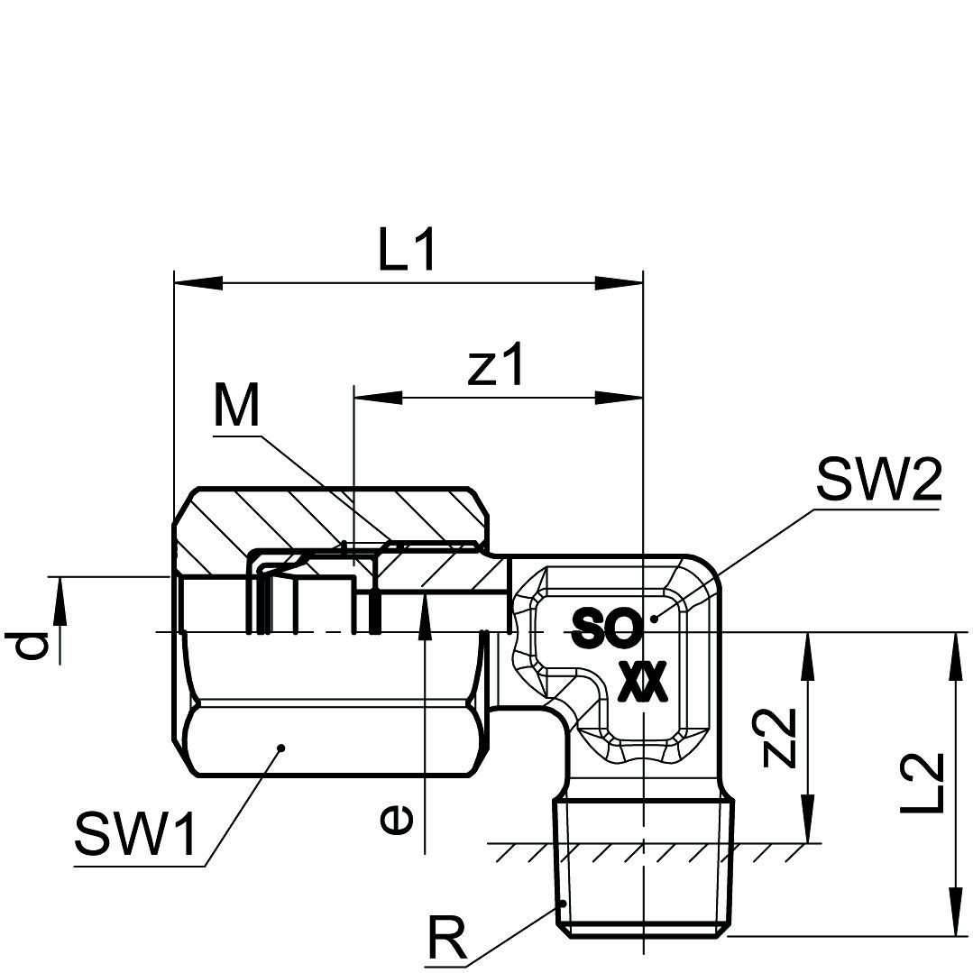
Syrafast Union 90° med utv gänga

  • Syrafast Union vinkel 90°
  • SS 316 Ti, 1.4571
  • Utvändig gänga
Visa alla mått +
Artikelnummer RSK dRbarMSW1SW2L1L2z1/z2eFiler
0782401100 61/840010x11492617.516/13,54.5
0782401110 61/440010x114102822.518/18,54.5
0782401160 81/833012x1171028.51818/146
0782401170 81/433012x1171028.522.518/18,56.5
0782401180 83/833012x1171432.52622/19,56.5
0782401270 101/433014x11912332520,5/198.5
0782401380 121/433016x122143525.521,5/198.5
0782401390 123/833016x12214352621,5/19,510
0782401534 151/225020x1,527173929.524/21,513
0782401135 6.351/840010x11492517.516/13,54.5
0782401140 6.351/440010x114102722.518/18,54.5
0782401230 9.521/433014x1191233.52520,5/198
0782401434 12.71/225020x1,5271739.529.524/21,511
Datablad