SOL 51326

Syrafast-anslutning

  • Syrafast Anslutning
  • SS 316 Ti, 1.4571
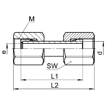
Visa alla mÄtt +
Artikelnummer RSK dbarMSWL1/L2eFiler
0781330060 6400M10x11437/49.53.8
0781330080 8330M12x11739/535.6
0781330100 10330M14x11943/576.5
0781330120 12330M16x12245/59.58
Datablad