SOL 51304

Syrafast Rörstos

  • Syrafast rörstos
  • SS 316 Ti, 1.4571
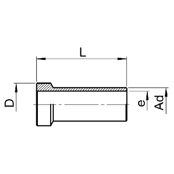
Visa alla mått +
Artikelnummer RSK ADLDeFiler
0761310060 6368.93.8
0761310080 83810.95.6
0761310100 104212.96.5
0761310120 124414.98
Datablad