SOL 51124 OR

Syrafast Union utv gänga

  • Syrafast Union
  • Utvändig gänga OR
  • SS 316 Ti, 1.4571
Visa alla mått +
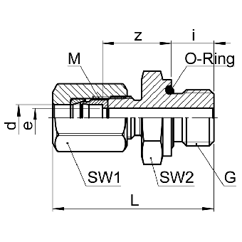
Artikelnummer RSK dGbarMSW1/SW2LDiO-ringzeFiler
0781171100 61/8400M10x114/1432.514.588.73x1.7814.54.5
0781171110 61/4400M10x114/193618.51011.1x1.78164.5
0781171135 6.351/8400M10x114/1431.514.588.73x1.7814.54.5
0781171140 6.351/4400M10x114/193518.51011.1x1.78164.5
0781171170 81/4330M12x117/1937.518.51011.1x1.78176.5
0781171230 9.521/4330M14x119/194018.51011.1x1.78177
0781171235 9.523/8330M14x119/224122.51014x1.7818.58
0781171280 103/8330M14x119/224122.51014/1.7818.58.5
0781171390 123/8330M16x122/224222.51014/1.7818.510
0781171400 121/2330M16x122/2744.5271218.72/2.621910
0781171434 12.71/2330M20x1.527/2749271218.72x2.622211
0781171534 151/2250M20x1.527/2748.5271218.72/2.6221.513
0781171566 161/2200M24x1.530/2752271218.72/2.6221.513
0781171646 181/2200M24x1.530/2750271218.72/2.6221.513
Datablad