SO83621 T

Mässing T-rör med svivel förnicklad

  • T-rör med svivel förnicklad mässing
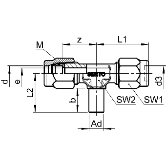
Visa alla mått +
Artikelnummer RSK dADd3barMSW1/SW2L1/L2bzeFiler
0383600045 464100M10x112/1023.5/17.511163.4
0383600060 666125M10x112/1023.5/17.511164
Datablad